WeekendHobby.com


อยากรู้วิธีติดตั้งรีเลย์ไฟหน้าเพิ่ม
Jame Auto
จาก Jame Auto
จันทร์ที่ , 2/8/2553
เวลา : 18:43

อ่าน = 2564
125.25.75.133
       พอดีว่า สตราด้าผมติดฟิมล์ทึบไป แล้วไฟหน้าไม่ค่อยสว่าง อยากรู้วิธีเพิ่มรีเลย์ไฟหน้าโดยทำเอง จะใส่หลอด 100W อ่ะคับ ผมงงกับไฟ ที่มาที่ขั้วหลอดอ่ะคับ รบกวนด้วยคับ

เครื่องมือในการใช้งาน website =>> สมัครสมาชิก | Login | Logout | เปลี่ยนไอคอนส่วนตัว | เกี่ยวกับเรา | ติดต่อโฆษณา         View stat by Truehits.net


   
   

คำตอบที่ 1
       ซื้อ รีเลย์ เชียงกงตัวละ 25บาท เมือ่ก่อนผมใช้4ตัวเลย แน่นอนดี

โดยทั่วไป การเอาไฟจากขั้วหลอด มาคุมรีเลย์ ต้องเอาสายดินมาด้วยครับ เพื่อให้ รีเลย์เดิม ทำงานครบวงจร

ส่วนการเดินรีเลย์ โดยทั่วไปก็จะมี 4-5 ขั้ว 2ขั้วเข้า คอยล์+ - อีก2-3 ขั้ว เป็นสะพานไฟครับ

ประมาณนี้ล่ะครับ สงสัยตรงไหน ถามเป็นข้อๆดีกว่า ผมอธิบายไม่ค่อยเก่ง



korn_ จาก หนู ไบโอแก๊ส  111.84.222.215  จันทร์, 2/8/2553 เวลา : 19:31   


คำตอบที่ 2
       ขอบคุณคับพี่หนู คือว่า สายไฟมันมี 3 เส้น เปิดไฟต่ำ มีไฟมา 2 เส้น กราว 1 เส้น พอเปิดไฟสูง มีไฟมา 1 เส้น กราว 1 เส้น แต่ว่าเส้นกราว ของไฟสูงอ่ะ มันเป็นเส้นไฟของไฟต่ำ งงตรงว่ามันสลับกันได้ไง เลยต่อไม่ถูก



Jame Auto จาก Jame Auto  125.25.75.133  จันทร์, 2/8/2553 เวลา : 20:14   


คำตอบที่ 3
       ถ้าไม่รบกวนจนเกินไป ขอให้พี่หนูช่วยวาด วงจรที่จะต่อได้ไหมคับ



Jame Auto จาก Jame Auto  125.25.75.133  จันทร์, 2/8/2553 เวลา : 20:24   


คำตอบที่ 4
       ปลั๊กที่เสียบหลอดมี3ขั้ว หันขั้วหลอดเข้าหาตัวเอง ให้เป็นรูป ... ก.....
-ขั้วขวามือ เป็น ขั้วไฟต่ำ
-ด้านบนเป็น ขั้วไฟสูง
-ด้านซ้าย เป็น กราวน์


หากวัดทีละ2ขั้ว มันจะรวนๆอย่างนี้ละครับ เมื่อก่อนผมก็งงๆ
ต้องต่อให้ครบ3เส้น มันจะทำงานปกติเอง
โดยเอา ไฟ สูง-ต่ำ ไปเข้า รีเลย์ แล้วเอากราวน์ของรีเลย์ มาต่อที่ขั้วเดิมด้วย
เรื่องรูป เดี๋ยวหาปากกาเมจิก ก่อน วันนี้มืดแล้วอ่ะ ไม่รู้หายไปไหน

 แก้ไขเมื่อ : 3/8/2553 8:15:25

 แก้ไขเมื่อ : 3/8/2553 8:18:36



korn_ จาก หนู ไบโอแก๊ส  1.46.179.75  จันทร์, 2/8/2553 เวลา : 21:22   


คำตอบที่ 5
       พี่หนูคับผมรบกวนพี่ช่วยวาดรูปให้ผมหน่อยนะคับผมก็ยังง ตรงที่ว่า โดยเอา ไฟ สูง-ต่ำ ไปเข้า รีเลย์ แล้วเอากราวน์ของรีเลย์ มาต่อที่ขั้วเดิมด้วย คือ กราวที่ขั้วไฟเดิม มาเข้ารีเลย์ แล้วต้องต่อกราวตัวถังมาที่รีเลย์อีกเส้นป่าวคับ หรือว่า เอากราวที่ปลั๊กเดิมอย่างเดียว



Jame Auto จาก Jame Auto  125.25.75.133  จันทร์, 2/8/2553 เวลา : 21:41   


คำตอบที่ 6
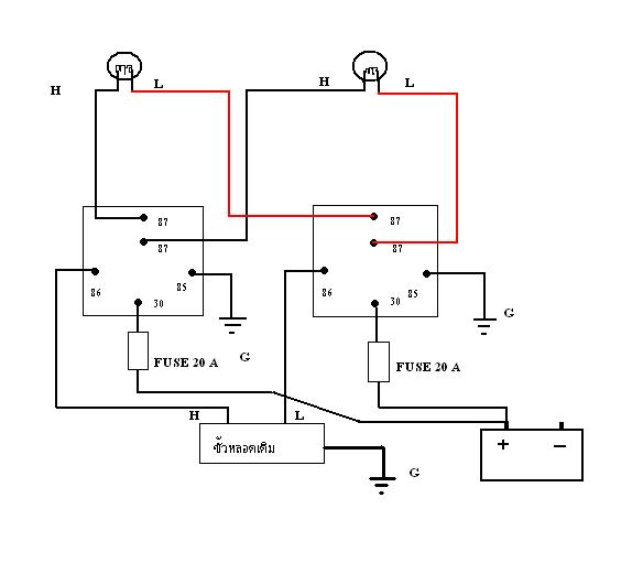
       หนูลองดูสิว่าแบบไหนใช้ได้ พอดีพี่ไปหาตามเน๊ตมาให้ดู





cjjaidee จาก ศักดิ์  117.47.159.240  จันทร์, 2/8/2553 เวลา : 22:35   


คำตอบที่ 7
       อีกรูป





cjjaidee จาก ศักดิ์  117.47.159.240  จันทร์, 2/8/2553 เวลา : 22:35   


คำตอบที่ 8
       อีกรูป





cjjaidee จาก ศักดิ์  117.47.159.240  จันทร์, 2/8/2553 เวลา : 22:36   


คำตอบที่ 9
       อีกรูป





cjjaidee จาก ศักดิ์  117.47.159.240  จันทร์, 2/8/2553 เวลา : 22:36   


คำตอบที่ 10
       อีกรูป





cjjaidee จาก ศักดิ์  117.47.159.240  จันทร์, 2/8/2553 เวลา : 22:37   


คำตอบที่ 11
       รูปสุดท้าย ช่างหนูช่วยดูหน่อยว่าแบบได้ที่ใช้ไดจริง





cjjaidee จาก ศักดิ์  117.47.159.240  จันทร์, 2/8/2553 เวลา : 22:38   


คำตอบที่ 12
       พอดีผมไม่รู้ขั่วไหน ไฟต่ำ ไฟสูง งง



Jame Auto จาก Jame Auto  125.25.241.194  อังคาร, 3/8/2553 เวลา : 07:35   


คำตอบที่ 13
       อยากให้พี่หนู วาดวิธีต่ออย่างละเอีนดให้อ่ะคับ



Jame Auto จาก Jame Auto  125.25.241.194  อังคาร, 3/8/2553 เวลา : 07:35   


คำตอบที่ 14
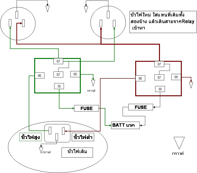
       วิธีต่อแบบนี้ใช้ได้ไหมคับ ผมงงตรงขั้วไฟ วานพี่หนู พี่ศักดิ์ ช่วยติ หน่อยคับ ว่าถูกไหม





Jame Auto จาก Jame Auto  125.25.241.194  อังคาร, 3/8/2553 เวลา : 07:39   


คำตอบที่ 15
       เดินตามคำตอบที่ 14อ่ะถูกแล้ว แต่....................
ขั้วไฟไม่ถูกครับ ไฟต่ำ (สายสีน้ำตาล) ที่จริงเป็น กราวด์
ขั้วกราวด์ ในรูป ที่จริงเป็น ไฟสูง
ขั้วไฟสูง ในรูป ที่จริงเป็น ไฟต่ำ



อีกหน่อย .............. กราวด์ของขั้วไฟใหม่ ลงที่ตัวถัง หรือ แบตฯได้ครับ
แต่กราวด์ของรีเลย์ ต้องกลับมาลงที่ขั้วไฟเดิม เพื่อให้ของเดิมทำงานสมบูรณ์ครับ



korn_ จาก หนู ไบโอแก๊ส  115.67.96.171  อังคาร, 3/8/2553 เวลา : 08:10   


คำตอบที่ 16
       เพิ่มเติมอีกนิดนะครับ ตามคำตอบที่ 15

ผมเอา ขั้วหลอด เป็น เกณท์นะครับ มะได้เอาปลั๊กเป็นเกณฑ์ เดี๋ยวจะสับสน


ตอนนี้เริ่มสับสนเอง จนไปแก้ไขคำตอบที่4 จากถูกเป็นผิด เอ้า....... ต้องแก้จากผิดให้เป็นถูกอีก เฮ้อ..............



korn_ จาก หนู ไบโอแก๊ส  115.67.96.171  อังคาร, 3/8/2553 เวลา : 08:23   


คำตอบที่ 17
       แล้วแบบไหนที่มันใช้งานได้จริง ช่างหนู แบบไม่ต้องแก้ไขนะ



cjjaidee จาก ศักดิ์  112.142.193.181  อังคาร, 3/8/2553 เวลา : 10:57   


คำตอบที่ 18
       คำตอบที่ 7 ก็ใช้ได้ แต่ รีเลย์ในคำตอบที่7 ราคาสูงครับ
คำตอบที่8 ใช้สำหรับ ต่อ สปอร์ตไลท์ หรืออุปกรณ์อื่นๆ ที่ใช้สวิทช์คุม
คำตอบที่ 11 ก็ใช้ได้ แต่เป็นแบบวงจร อาจเข้าใจยากนิดนึง
คำตอบที่ 14 อ่ะผมเข้าใจง่ายดี แต่ต้องสลับสายให้ถูกต้องครับ



korn_ จาก หนู ไบโอแก๊ส  111.84.93.25  อังคาร, 3/8/2553 เวลา : 12:43   


คำตอบที่ 19
       ซื้อมาใส่เป็นชุดสำเร็จเลยครับพี่ 300บาท มาเสียบๆอย่างเดียวครับ ไม่ยากๆ



aum@turbo จาก aum@turbo  203.113.0.208  อังคาร, 3/8/2553 เวลา : 15:00   


คำตอบที่ 20
       ขอบคุณพี่หนู พี่ศักดิ์ แล้วก็ aum@turbo นะคับ เดี๋ยวผมลองไปต่อก่อน ได้ไม่ได้เดี๋ยวมา เล่าไหม่ อิอิ



Jame Auto จาก Jame Auto  118.174.85.70  อังคาร, 3/8/2553 เวลา : 16:38   


คำตอบที่ 21
       พี่หนูคับ การท เราเพิ่ม รีเลย์ไฟหน้า มีข้อดี ข้อเสียอย่างไรบ้างคับ แล้วไฟจะสว่างขึ้นเยอะไหม และถ้ายังไม่เปลี่ยนเป็นหลอด 100W จะเป็นไรไหม ผมจะรอให้มันขาดก่อนค่อยเปลี่ยน



Jame Auto จาก Jame Auto  118.174.84.124  อังคาร, 3/8/2553 เวลา : 19:08   


คำตอบที่ 22
       เพิ่ม W หลอดไฟสิ่งที่ผมกลัวเรื่องโคมไฟละลายเพราะความร้อนจะเพิ่มขึ้นนะสิ



cjjaidee จาก ศักดิ์  117.47.24.218  อังคาร, 3/8/2553 เวลา : 21:19   


คำตอบที่ 23
       พี่ศักดิ์ สตราด้าไฟมันไม่ค่อยสว่างเลยนะ ประกอบกับฟิมล์มืดอีก



Jame Auto จาก Jame Auto  125.25.233.76  อังคาร, 3/8/2553 เวลา : 21:22   


คำตอบที่ 24
      





ikkiw จาก ikkiw  180.210.216.74  อังคาร, 3/8/2553 เวลา : 21:50   


คำตอบที่ 25
       ผมขอแนะนำนะครับ..............สำหรับคนที่ต่อวงจรไฟไม่เป็นหรือไม่อยากยุ่งยาก




ไปที่ร้านขายอะไหล่ บอกเขาขอซื้อชุดเพิ่มไฟแสงสว่างหน้ารถ



มันจะมาเป็นขุดเราแค่เสียบเข้ากับปลั๊กไฟเดิมเป็นอันใช้ได้ครับ มีรีเลย์2ตัว+สายไฟ 1 ชุดใหญ่



ตอนนี้ผมก็ใช้งานอยู่ครับ แต่ขอเตือนนะครับ เพิ่มวัตต์ไฟหน้ามากระวังขั้วละลาย ผมละลายมา 2 รอบแล้ว.......... ....................



Pe..Strada จาก Pe..Strada  58.9.82.116  พุธ, 4/8/2553 เวลา : 08:37   


คำตอบที่ 26
       พี่ Pe..Strada คับ ตอนนี้ผมต่อเองเรียบร้อยแล้วคับ แต่ยังไม่ได้เปลี่ยนหลอด ถ้าผมใช้หลอดเดิมไปก่อนจะเป็นไรไหมคับ แล้วที่พี่บอกว่า ขั้วละลาย แล้วโคมไฟเป็นไรไหมคับ



Jame Auto จาก Jame Auto  125.25.22.13  พุธ, 4/8/2553 เวลา : 19:47   


คำตอบที่ 27
       ผมขอขอบคุณพี่ศักดิ์ พี่หนู และทุกๆท่านนะคับ ที่สละเวลามาช่วยออกความคิดเห็น และช่วยแนะนำผม



Jame Auto จาก Jame Auto  125.25.22.13  พุธ, 4/8/2553 เวลา : 19:48   


คำตอบที่ 28
       ถ้าใช้หลอดไฟที่วัตต์สูงก็อาจจะทำให้ละลายได้ ต้องเลือกอย่าให้มันสูงจนเกินไป



cjjaidee จาก ศักดิ์  222.123.7.102  พุธ, 4/8/2553 เวลา : 20:18   


คำตอบที่ 29
       พี่ศักดิ์ ต้องใช้ประมาณกี่ วัตต์ดีคับ



Jame Auto จาก Jame Auto  125.25.22.13  พุธ, 4/8/2553 เวลา : 20:37   


คำตอบที่ 30
       ยินดีด้วยนะครับ
ใช้ซัก 90/100 ก็พอครับ เกินกว่านี้ เดี๋ยวจะโดนขวด ทำลายกระจกซะก่อน
ส่วนเรื่องขั้วละลาย น่าจะเป็นเพราะ สายเล็กไป ไฟเดินไม่สะดวก เลยละลาย นี่ก็เป็นอีก1เหตุผลที่ผมทำเองครับ ใช้สายไฟอย่างใหญ่เลย
อีกเรื่อง หลอดสีฟ้าเนี่ย สวย.... แต่ไร้ประโยชน์ ยิ่งฝนตกด้วยล่ะก็ งานเข้า...............
หากจะใส่หลอดที่ วัตต์สูงกว่านี้ ก็ ตั้งไฟอย่าให้สูงนัก แล้วก็เปิดเฉพาะตอนรถวิ่งครับ ป้องกันโคมละลาย





korn_ จาก หนู ไบโอแก๊ส  1.46.126.84  พุธ, 4/8/2553 เวลา : 21:31   


คำตอบที่ 31
       ขอบคุณคับพี่หนู แล้วหลอดไฟใหม่ ราคาสักเท่าไหร่คับ ผมสรุปราคาใหดูนะคับว่าแพงไปไหม 1. รีเลย์ 2 ตัว 180 บาท 2. ฐานรีเลย์ 2 ตัว 60 บาท 3. ขั้วไฟไหม่ 2 ตัว 60 บาท กล่องฟิวส์ 1 อัน 15 บาท สายไฟประมาณ 120 บาท ( สายไฟเบอร์ 2.5 ถ้าจำไม่ผิด ) รวม 450 บาท



Jame Auto จาก Jame Auto  180.180.7.34  พุธ, 4/8/2553 เวลา : 22:19   


คำตอบที่ 32
       แพงกว่าซื้ออีก แต่เราได้รีเลย์ บอร์ด 2ตัว ได้สายไฟใหญ่ ว่าแต่ สายขนาด 2.5 ใหญ่พอไหม



Jame Auto จาก Jame Auto  180.180.7.34  พุธ, 4/8/2553 เวลา : 22:31   


คำตอบที่ 33
       มีใครรู้ไฟหน้าเต็ม สตราด้า ของแท้บ้างคับ ข้างละเท่าไหร่



Jame Auto จาก Jame Auto  180.180.7.34  พุธ, 4/8/2553 เวลา : 23:06   


คำตอบที่ 34
       หลอดไฟ ก็ประมาณ วัตต์ละบาทครับ............... ส่วนเรื่องโคม ไม่ทราบจริงๆ



korn_ จาก หนู ไบโอแก๊ส  115.67.196.178  พฤหัสบดี, 5/8/2553 เวลา : 07:29   


คำตอบที่ 35
       คำตอบที่ 30
ยินดีด้วยนะครับ
ใช้ซัก 90/100 ก็พอครับ เกินกว่านี้ เดี๋ยวจะโดนขวด ทำลายกระจกซะก่อน
ส่วนเรื่องขั้วละลาย น่าจะเป็นเพราะ สายเล็กไป ไฟเดินไม่สะดวก เลยละลาย นี่ก็เป็นอีก1เหตุผลที่ผมทำเองครับ ใช้สายไฟอย่างใหญ่เลย
อีกเรื่อง หลอดสีฟ้าเนี่ย สวย.... แต่ไร้ประโยชน์ ยิ่งฝนตกด้วยล่ะก็ งานเข้า...............
หากจะใส่หลอดที่ วัตต์สูงกว่านี้ ก็ ตั้งไฟอย่าให้สูงนัก แล้วก็เปิดเฉพาะตอนรถวิ่งครับ ป้องกันโคมละลาย

ข้อมูลนี้ที่ ช่างหนู บอกผมเห็นด้วยทั้งขนาดเรื่องวัตต์หลอดไฟและการเลือกใช้หลอดไฟ หลอดสีฟ้าอย่าไปใช้เลยครับให้ใช้แบบเดิมๆดีกว่าเวลาฝนตกมีผลอย่างมาก



cjjaidee จาก ศักดิ์  222.123.104.52  พฤหัสบดี, 5/8/2553 เวลา : 10:45   


คำตอบที่ 36
       คำตอบที่ 26
พี่ Pe..Strada คับ ตอนนี้ผมต่อเองเรียบร้อยแล้วคับ แต่ยังไม่ได้เปลี่ยนหลอด ถ้าผมใช้หลอดเดิมไปก่อนจะเป็นไรไหมคับ แล้วที่พี่บอกว่า ขั้วละลาย แล้วโคมไฟเป็นไรไหมคับ


จาก Jame Auto 125.25.22.13 พุธ, 4/8/2553 เวลา : 19:47

+++++++++++++++++++++++++++

ขั้วละลายเนื่องจากผมใช้หลอดวัตต์สูงครับ แต่โคมไม่เป็นไรครับ ของแท้ไม่กลัวร้อนครับ........ ............ ............. .........



Pe..Strada จาก Pe..Strada  58.9.79.50  พฤหัสบดี, 5/8/2553 เวลา : 15:22   


คำตอบที่ 37
       ไฟหน้า เบิกศูนย์ ของแท้ราคารวม VAT แล้วดวงละ 1,610 บาท ที่มาจากเวปข้างล่างครับ ผมใช้บริการอยู่ บริการส่งถึงหน้าบ้านถ้าอยู่กรุงเทพ
หรือส่ง พัสดุเก็บเงิน ถึงหน้าบ้าน กรณีต่างจังหวัดครับ
ส่งเร็วดีครับ

http://www.autoatone.com/inquiry_answer.php?keywords=strada&page=answer&p=1&orderby=date_time%20desc&status=a&page_range_pointer=0



i_herejoke จาก น้องโจ๊ก อนุบาลดีเซลฯ สุพรรณบุรี  114.128.168.200  พฤหัสบดี, 5/8/2553 เวลา : 15:37   


คำตอบที่ 38
       ขอบคุณพี่ๆทุกท่านด้วยนะคับ สำหรับข้อมูลทุกอย่าง



Jame Auto จาก Jame Auto  125.25.77.153  พฤหัสบดี, 5/8/2553 เวลา : 21:30   


คำตอบที่ 39
       พี่หนูคับ รถผม สตราด้าปี 2001 ทำไงให้มันวิ่งขึ้นอีกบ้างไหมคับ ถ้าไม่เซ็ตโบ ไม่มีงบอ่ะคับ ผมยังเรียนอยู่เลย



Jame Auto จาก Jame Auto  125.25.77.153  พฤหัสบดี, 5/8/2553 เวลา : 21:32   


คำตอบที่ 40
       ตอนนี้วิ่ง 160 เอง ขึ้นช้า อัตราบริโภค 11-12 โลลิตร ปกติดีไหมคับ รถใช้งานมา 140000 กว่าๆแล้ว



Jame Auto จาก Jame Auto  125.25.77.153  พฤหัสบดี, 5/8/2553 เวลา : 21:34   


คำตอบที่ 41
       ก็ทำปั๊มป์ ทำท่อครับ แต่ทางที่ดี อย่าทำเลยครับ
เก็บตังค์ไว้ รอพี่ๆในบอร์ด ขายยกชุด หรืออัพสเต็ป ถอดขายราคาถูกๆ แล้วสอยมาใส่รถเราดีกว่า จะได้ไม่ต้องเสียเงินหลายรอบ
อดเปรี้ยวไว้กินหวาน ทำทีเดียวแรงไปเลยดีกว่า ครับ....................................................................................................



korn_ จาก หนู ไบโอแก๊ส  1.46.160.198  ศุกร์, 6/8/2553 เวลา : 07:36   


คำตอบที่ 42
       อดเปรี้ยวไว้นานระวังเน่านะพี่หนู...


เดี่ยววันนี้จะเข้าไปดูท่อไว้ให้นะครับพี่หนู



td 27 จาก อ้วน  124.121.181.173  ศุกร์, 6/8/2553 เวลา : 09:53   


คำตอบที่ 43
       ตัดแค๊ท ทะลวงแคท เล่นเฮดเดอร์ ทำปั้ม เรียงเกียร์ สำหรับท่านที่ ไม่เล่นเทอร์โบ ยาวๆไน่จะเกือบ มิดไมล์
แต่ เอ 160 ยังไม่พอเหรอท่าน



i_herejoke จาก น้องโจ๊ก อนุบาลดีเซลฯ สุพรรณบุรี  114.128.168.79  ศุกร์, 6/8/2553 เวลา : 11:42   


คำตอบที่ 44
       คำตอบที่ 39
พี่หนูคับ รถผม สตราด้าปี 2001 ทำไงให้มันวิ่งขึ้นอีกบ้างไหมคับ ถ้าไม่เซ็ตโบ ไม่มีงบอ่ะคับ ผมยังเรียนอยู่เลย


จาก Jame Auto 125.25.77.153 พฤหัสบดี, 5/8/2553 เวลา : 21:32

++++++++++++++++++

ตัวไหนครับ ถ้า 2800 ของเล่นผมมีเพรียบ..( สำหรับถ้าคิดจะติดตั้งเทอร์โบ นะ )....................... ................... ................



Pe..Strada จาก Pe..Strada  58.9.77.102  ศุกร์, 6/8/2553 เวลา : 13:10   


คำตอบที่ 45
       พี่ๆคับ สมมุติว่าถ้าเซ็ตโบ กับไม่เซ็ท อันไหนประหยัดกว่า บางคนก็บอกประหยัดกว่าเดิม บางคนก็บอกกินกว่าเดิม



Jame Auto จาก Jame Auto  125.25.86.241  ศุกร์, 6/8/2553 เวลา : 17:10   


คำตอบที่ 46
       พี่ๆ ผมขอนอกเรื่องหน่อยนะคับ เครื่องเล่นซีดีในรถ JVC PIONEER KENWOOD อะไรดีกว่า ถ้า ราคาเท่ากัน



Jame Auto จาก Jame Auto  125.25.86.241  ศุกร์, 6/8/2553 เวลา : 17:33   


คำตอบที่ 47
       ไปไหนกันหมดเอ๋ย....



Jame Auto จาก Jame Auto  118.172.194.76  ศุกร์, 6/8/2553 เวลา : 19:22   


คำตอบที่ 48
       ไม่มีใครมาตอบเลย



Jame Auto จาก Jame Auto  125.25.21.132  เสาร์, 7/8/2553 เวลา : 06:59   


คำตอบที่ 49
       มาแล้วครับ แต่เรื่องเครื่องเสียง ไม่มีความรู้เลยครับ ทางที่ดี เจาะจงรุ่น และราคาดีกว่าครับ รอผู้มาตอบดีกว่าครับ

เท่าทีทราบ เมื่อวาน เน็ตล่มกันหลายที่ ส่วนผม ไฟฟ้าดับต้งแต่ตอนเย็น ไม่อยากจะบ่นเลย............ เดี๋ยวกลายเป็น ตาหนูขี้บ่นอีก



korn_ จาก หนู ไบโอแก๊ส  115.67.125.247  เสาร์, 7/8/2553 เวลา : 07:49   


คำตอบที่ 50
       อิอิผมนึกว่าไปเที่ยวไหนกันหมด เออพี่หนู ถ้าผมเซ็ตโบมันจะประหยัดกว่าเดิมหรือกินกว่าเดิมถ้าความเร็วเท่ากัน ถ้ามันประหยัดกว่าเดิมประหยัดมากไหม และรอบเครื่องจะลดลงไหม (ตอนนี้ ความเร็ว 105 รอบอยู่ที่ 3000 )



Jame Auto จาก Jame Auto  180.180.108.111  เสาร์, 7/8/2553 เวลา : 09:58   


คำตอบที่ 51
       ลืมบอก สตราด้าเครื่อง 2800



Jame Auto จาก Jame Auto  180.180.108.111  เสาร์, 7/8/2553 เวลา : 09:59   


คำตอบที่ 52
       หากติดแล้วควบคุมการขับให้เหมือนเดิมได้ ก็ประหยัดครับ แต่ถ้าหากขับไม่เหมือนเดิมก็กินดุหน่อยนะครับ

ส่วนเรื่องรอบเครื่อง ไม่เกี่ยวกับเทอร์โบครับ เกี่ยวกับเกียร์ เฟืองท้ายอ่ะครับ



korn_ จาก หนู ไบโอแก๊ส  1.46.81.110  เสาร์, 7/8/2553 เวลา : 10:52   


คำตอบที่ 53
       ถ้าเครื่องเดิมๆ เรียงเกียร์จะประหยัดขึ้นไหม และความเร็วได้เท่าเดิมไหม ราคาเท่าไหร่ ดีไหมถ้าระยะยาว



Jame Auto จาก Jame Auto  180.180.108.111  เสาร์, 7/8/2553 เวลา : 11:13   


คำตอบที่ 54
       พี่ๆ ผมขอนอกเรื่องหน่อยนะคับ เครื่องเล่นซีดีในรถ JVC PIONEER KENWOOD อะไรดีกว่า ถ้า ราคาเท่ากัน


ผมว่า PIONEERเสียงดีนะเบสนุ่มดีราคาไม่สูงด้วย ตอนนี้ ผมใช้JVC KD-G645 เล่น CD/MP3/USBว่าจะขายเหมือนกันอยากได้ 2dinครับ





patipat_pa จาก patt  183.89.172.172  เสาร์, 7/8/2553 เวลา : 19:57   


คำตอบที่ 55
       พอดีผมซื้อ KENWOOD KDC-U346 มาแล้วอ่ะคับ





Jame Auto จาก Jame Auto  118.172.191.208  เสาร์, 7/8/2553 เวลา : 20:52   


คำตอบที่ 56
       รูปใหญ่ไปโทษทีคับ ซื้อมาใส่เอง 3100 ประกัน 2 ปี





Jame Auto จาก Jame Auto  118.172.191.208  เสาร์, 7/8/2553 เวลา : 20:57   


คำตอบที่ 57
       ของ KENWOOD พอใช้ได้ไหม ช่วยติชมหน่อยคับ แล้วของพี่ขายเท่าไหร่



Jame Auto จาก Jame Auto  118.172.191.208  เสาร์, 7/8/2553 เวลา : 20:59   


คำตอบที่ 58
       Alpine ....หนูชอบยี่ห้อนี้ อิอิ



td 27 จาก อ้วน  124.121.148.60  เสาร์, 7/8/2553 เวลา : 22:57   


คำตอบที่ 59
       พี่อ้วนแล้วยี่ห้อนี้ พอได้ไหมคับ Alpine ไม่มีงบ 555+



Jame Auto จาก Jame Auto  125.25.245.143  อาทิตย์, 8/8/2553 เวลา : 07:05   


      

Since 22, Feb 2001 hit counter View My Stats  Truehits.net      วัน<%=WeekdayName(Weekday(Date))%>,<%=formatdatetime(date(),1)%> (Online <%=Application("OnlineUsers")%> คน)
                                       

เพื่อลดภาระของ ฐานข้อมูล ซึ่งมีขนาดใหญ่มาก เพราะเวบเปิดมากว่า 10 ปี
จึงทำให้เวบช้าลงมาก ทีมงานจึงขออนุญาต แปลงข้อมูลจาก ฐานข้อมูลหลักเป็น SHTML File
เพื่อลดภาระการทำงานของ ฐานข้อมูลหลักครับ การแปลงฐานข้อมูลนี้ จะทำให้กระทู้นี้
ไม่สามารถตอบคำถามได้อีกต่อไปครับ แต่จะสามารถค้นหาชื่อกระทู้ และ Link ตรงมาที่หน้านี้ได้เหมือนเดิมครับ

ด้วยความนับถืออย่างสูง ทีมงาน Weekendhobby.com


Convert on : 14/9/2554 5:55:16

Error processing SSI file