WeekendHobby.com


โบล์ออฟวาว ดีเซล
lar.rc
จาก lar.rc
พุธที่ , 18/8/2553
เวลา : 21:36

อ่าน = 15104
117.47.228.30
       ท่านที่เคยติดตั้ง โบล์ออฟวาว ของดีเซล ขอเชิญร่วมแชร์ประสบการณ์-ข้อคิดเห็น
ตลอดจนถึงการปรับปรุง-ปรับแต่และแก้ไข หรือร่วมกันออกแบบ




เครื่องมือในการใช้งาน website =>> สมัครสมาชิก | Login | Logout | เปลี่ยนไอคอนส่วนตัว | เกี่ยวกับเรา | ติดต่อโฆษณา         View stat by Truehits.net


   
   

คำตอบที่ 1
       ความเดิมคือผมเป็นคนนึงที่ชื่นชอบเสียงโบล์ออฟวาวตั้งแต่ไหนแต่ไร จึงคิดว่าจะลองทำดูประเด็นหลักที่ชักนำผมมาคบหากับเทอร์โบก้อเพราะเสียงโบล์ออฟนี่เอง



lar.rc จาก lar.rc  117.47.228.30  พุธ, 18/8/2553 เวลา : 21:45   


คำตอบที่ 2
       ลงมือครั้งแรก ผมได้ติดตั้งลิ้นปีกผีเสื้อลงไปที่ท่ออากาศเข้าเครื่องโดยขณะนั้นยังไม่มีเทอร์โบ และได้โยงสายคันเร่งไปดึงลิ้นปีกผีเสื้ออีกที
ผลการทดลองจบที่ได้แว็คคั่ม-10 (เหมือนจะโอเค)โดยไม่มีผลใดๆกับเครื่องเลยใช้งานได้เป็นปรกติจึงได้ทำการติดตั้งเทอร์โบ



lar.rc จาก lar.rc  117.47.228.30  พุธ, 18/8/2553 เวลา : 21:54   


คำตอบที่ 3
       อืมแปลกดีครับไม่ยักกะเคยเห็น...มารอชมครับ



td 27 จาก อ้วน  124.121.87.147  พุธ, 18/8/2553 เวลา : 22:33   


คำตอบที่ 4
       หลังจากติดตั้งเทอร์โบเสร็จมันไม่ได้เป็นอย่างที่คิดเสียแล้วคันเร่งมันหนักกว่าเดิม พอๆกับเหยียบครัชนั่นแหละ
ยิ่งใส่หม้อลมชั้นครึ่งเข้าไปอีกแตะเบรกที หัวทิ่ม เลยถอดลิ้นปีกผีเสื้อออก ล้มเลิกไปพักนึง และอีกทีได้รื้อแกนกับลิ้นผีเสื้อมาเจาะรูใหม่ฝังไว้ในท่อไอดีโยงคันเร่งเหมือนเดิมมาถึงตอนนี้คันเร่งเบามาหน่อย แต่แว็คไม่พอดูดโบล์ออฟอีก
(ในขณะที่รถเบนซิลยกคันเร่งแว็คคั่มจะลงไปได้ถึง-25-30 ชั่วขณะ และจะคงที่ประมาณ-18 จึงมีแรงดูดโบล์ออฟได้)



lar.rc จาก lar.rc  117.47.228.30  พุธ, 18/8/2553 เวลา : 22:39   


คำตอบที่ 5
       แต่ก่อนผมเห็นใส่กันหลายคันอยู่เหมือนกัน แต่ผมว่ามันไม่มีผลเท่าไหร่กับดีเซล



BeeGeeS จาก ฮอล  115.87.181.80  พุธ, 18/8/2553 เวลา : 22:47   


คำตอบที่ 6
       ต่อมาจึงได้ล้มเลิความคิดใส่ลิ้น จึงไปต่อท่อเข้าเหมือนเดิมแล้วหาวิธีใหม่โดย นำเอาโซลินอยแว็คคั่มมาดูดโบล์ออฟแทน
ซึ่งไปแยก3ทางมาจากหม้อพักลมเบรก โดยใส่สวิสซ์ที่ขาคันเร่ง ผ่านกล่องไทม์เมอร์หน่วงเวลาไว้1.5วินาที เพื่อป้องกันโบลออฟเปิดค้าง
หลังไม่ได้เหยียบแป้นคันเร่ง คล้ายกับภาพประกอบ





lar.rc จาก lar.rc  117.47.228.30  พุธ, 18/8/2553 เวลา : 22:49   


คำตอบที่ 7
       คำตอบที่ 5
แต่ก่อนผมเห็นใส่กันหลายคันอยู่เหมือนกัน แต่ผมว่ามันไม่มีผลเท่าไหร่กับดีเซล


จาก ฮอล 115.87.181.80 พุธ, 18/8/2553 เวลา : 22:47

ประเด็นหลักก้อเพื่อต้องการเสียงครับ เพราะเครื่องดีเซลพอเรายกคันเร่งบูทมันก้อลดลงอย่างรวดเร็วเหมือนกันยกหมดปั้บแลดูเข็มวัดบูดก้อ0 ทันที



lar.rc จาก lar.rc  117.47.228.30  พุธ, 18/8/2553 เวลา : 23:00   


คำตอบที่ 8
      





lar.rc จาก lar.rc  117.47.228.30  พุธ, 18/8/2553 เวลา : 23:07   


คำตอบที่ 9
       ประเด็นสำคัญนอกจากชุดควบคุมโซลินอยแล้ว อยู่ที่ตัวโบล์ออฟเอง ตอนแรกที่ทำวิธีนียังไม่ดังนะครับ นึกว่าโบล์ออฟเสียลองถอดไปใส่
เบ็นซ์วางเจโบเดิมๆ ดูเสียงก้อปรกติดีนี่นา จะดังกว่าด้วยซ้ำบูตมาแค่8เอง เลยต้องถอดมาโมข้างในอีกเพราะแว็คลมเบรกมาได้ประมาณ
-20 ซึ่งยังไม่พอที่จะเปิดโบล์ออฟให้คายได้ทันก่อนที่แรงดันบูทจะหมด




http://www.hksthailand.com/s0106/index.php?pgid=index



lar.rc จาก lar.rc  117.47.228.30  พุธ, 18/8/2553 เวลา : 23:26   


คำตอบที่ 10
      



lar.rc จาก lar.rc  117.47.228.30  พุธ, 18/8/2553 เวลา : 23:48   


คำตอบที่ 11
       เสียงจะดังดีมากตั้งแต่บูตมา8ปอนขึ้นไป ขนาดวิ่งไปเชียงรายเจอรถกู้ภัย(สตราด้าแต่งเหมือนกัน)ยังโบกเรียกให้จอดบอกขอดูโบล์ออฟหน่อยเสียงมันคายดังดีเหลือเกินอยากใส่มั่ง
ออกไฟแดง สับเกียร์ที ดังชิ้ววว...ไม่ได้กดแตร์เลยมอไซค์หลบให้หมดครับ


หากว่าเราขับแบบต้องการกำลังหรือแบบเบาๆยกคันเร่งบ่อยๆไม่ต้องการให้โบล์ออฟเปิด ก้อสามารถปิดสวิสซ์ไทม์เมอร์คุมโซลินอยไปเสีย
ตั้งแต่ติดมา 5 เดือนผมปิดสวิสซ์ไม่กี่ครั้งเองเพราะจะสั่งเปิด-ปิดตอนไหนเราคุมเองได้ที่ % ของการเหยียบคันเร่งอยู่แล้ว







lar.rc จาก lar.rc  117.47.228.30  พฤหัสบดี, 19/8/2553 เวลา : 00:14   


คำตอบที่ 12
       ที่ผมเลือกเป็นโบล์ออฟวาวหัวเบ็นซ์เพราะว่าเสียงมันดังดีกว่า เสียงแหลมทำให้ได้ยินไกลกว่า


http://www.youtube.com/watch?v=HblCEQXQ8Q4



lar.rc จาก lar.rc  117.47.228.30  พฤหัสบดี, 19/8/2553 เวลา : 00:22   


คำตอบที่ 13
       อันที่จริงแล้วประโยชน์ขอการติดโบล์ออฟก้อคือระบายแรงดันเทอร์โบออกจากระบบ

แต่เวลาเลือกซื้อของคนส่วนใหญ่ไม่ได้มองข้อนั้นเลย จะเลือกว่ายี่ห้อนั้นเสียงเป็นไง แล้วอันนี้ล่ะเสียงเพราะมั้ย...


http://www.youtube.com/watch?v=uY2zj6W5TrM



lar.rc จาก lar.rc  117.47.228.30  พฤหัสบดี, 19/8/2553 เวลา : 00:38   


คำตอบที่ 14
       แล้วมันจะมีผลไหมหว่า ถ้าบูสหนักๆๆ แล้วถ้าซัดๆในเมืองเหยียบแล้วยกแล้วไปต่อ การต่องเนื่องของอากาศจะเป็นไงครับ แต่ก็ชอบแปลกดี



rescue จาก RESCUE  180.183.57.200  พฤหัสบดี, 19/8/2553 เวลา : 06:34   


คำตอบที่ 15
       มาแว้ว.....................
รบกวนถามหน่อยครับ
-ไทม์เมอร์ หามาจากที่ไหนครับ
-แก้ไขข้างใน ทำอย่างไรบ้าง.
-รั่วบ้างไหม
ถ้าใช้งานได้ดีก็น่าสนใจทำบ้าง ชอบเสียงเหมือนกัน เอาให้ พวกเบนซิลงงไปเลย..................



korn_ จาก หนู ไบโอแก๊ส  1.47.167.89  พฤหัสบดี, 19/8/2553 เวลา : 07:38   


คำตอบที่ 16
       แจ่มเลยครับ พี่หนูหาวิธีทำเนียนๆเร็วๆนะพี่ จะได้รบกวนพี่มั่ง อิอิ..



dearruam1 จาก นู๋เดียร์  183.89.227.215  พฤหัสบดี, 19/8/2553 เวลา : 09:24   


คำตอบที่ 17
       ทำให้ผมบ้างจิครับ ราคา ประมาณเท่าไหร่ สนใจครับ TD04-09 พอจะดังได้ไหมครับ



i_herejoke จาก น้องโจ๊ก อนุบาลดีเซลฯ สุพรรณบุรี  114.128.168.157  พฤหัสบดี, 19/8/2553 เวลา : 15:47   


คำตอบที่ 18
       คงต้อง อาศัย ท่าน lar.rc แล้วล่ะครับ จะได้ออกมาสมบูรณ์............................



korn_ จาก หนู ไบโอแก๊ส  111.84.208.65  พฤหัสบดี, 19/8/2553 เวลา : 16:13   


คำตอบที่ 19
       สุดยอดเลยอ่ะ อยากได้ที่สุดเลยครับ



อนุบาลออฟโรด จาก อนุบาลออฟโรด  114.128.161.184  พฤหัสบดี, 19/8/2553 เวลา : 19:41   


คำตอบที่ 20
       วันนี้ไปลองสวิสซ์สเตปใหม่มา100กว่าโล ได้ใจจริงๆ เหยียบ-ยก ...เหยียบ-ยก ... มันส์ สั่งได้ดังใจนึก

เทียบเบ็นซินแล้วแทบไม่แตกต่าง ลงตัวสุดๆ ใครอยู่เชียงใหม่หรือมาเชียงใหม่แวะมาคุย-ลองนั่งชม..ลองฟังเสียงได้ไม่ว่ากัน



lar.rc จาก lar.rc  222.123.66.77  พฤหัสบดี, 19/8/2553 เวลา : 22:36   


คำตอบที่ 21
       บอกวิธีทำใด้ใหมครับ สนใจอย่างแรง



nissan จาก m  58.9.226.193  พฤหัสบดี, 19/8/2553 เวลา : 23:16   


คำตอบที่ 22
       สงสัยต้องแวะไปแอ่วซะหน่อยแระ
ไค่อยากฮู้ว่ามันเป๋นจะได

 แก้ไขเมื่อ : 19/8/2553 23:39:16



seeucnx จาก เต้ย TD25Ti  117.47.231.67  พฤหัสบดี, 19/8/2553 เวลา : 23:38   


คำตอบที่ 23
       ลง Youtube เลยพี่...ทำขายซะรวยๆๆๆๆ...



td 27 จาก อ้วน  124.122.6.110  พฤหัสบดี, 19/8/2553 เวลา : 23:41   


คำตอบที่ 24
       อยากลองฟังอ่ะคับ อยู่แถวไหนของเชียงใหม่หว่า..



Eak_FRONTIERS จาก เอก  114.128.13.168  พฤหัสบดี, 19/8/2553 เวลา : 23:51   


คำตอบที่ 25
       สงัสยต้องขึ้น เหนือไปหาสาวๆที่ เชียงใหม่ อิอิ



i_herejoke จาก น้องโจ๊ก อนุบาลดีเซลฯ สุพรรณบุรี  114.128.168.59  ศุกร์, 20/8/2553 เวลา : 08:22   


คำตอบที่ 26
       น่าสนใจ น่าสนใจ ไม่มีข้อเสียเหมือนท่อปู้ววววด้วย รอชมผลงานเหมือนกันครับพี่หนู



golf_ จาก กอล์ฟ  27.130.62.124  ศุกร์, 20/8/2553 เวลา : 20:19   


คำตอบที่ 27
       ขอบอกให้ทุกท่านทราบว่าที่ผมออกมาบอกว่าดีเซลใส่โบล์อออฟวาวได้จุดประสงค์ไม่ได้เกี่ยวกับขายของหรือเจตนาอื่นใดนอกเสียจากต้องการแบ่งปันความรู้
เหมือนที่ผมได้รับจาก อ.วอน เรื่องฝาปั๊ม..หวังว่ากระทู้นี้คงมีประโยชน์กับท่านผู้อ่านไม่มากก้อน้อยนะครับ

อุปกรณ์มีดังนี้
โบล์ออฟวาว..จะรุ่นหรือยี่ห้ออะไรก้อแล้วแต่ที่ท่านสามารถหามาใส่ได้ (ที่ผมใช้HKSหัวเบ็นซ์ก้อบราคา2000-2500แล้วแต่ร้านหรือแท้มือ2ราคา4000หาของได้ตามเชียงกง....

โซลินอยแว็คั่ม เลือกเอาตัวที่รูใหญ่ๆหน่อย จะได้มีแรงดูดเร็วหน่อย

กล่องไทม์เมอร์หัวเผาทั่วไป ยี่ห้อไทเกอร์ หาได้ตามร้านอะไหล่ทั่วไป ราคา 280(ปรับต่ำสุดจะได้ประมาณ2วินาทีอยากได้น้อยกว่านั้นเปลี่ยนคอนเดนเซอร์ให้ค่าต่ำลง)

ไมโครสวิสซ์แบบมีมีก้านเป็นเส้นลวด


ที่เหลือก้อลงมือติดตั้งโบล์ออฟวาวเป็นอันดับแรก คงไม่ยากเลยเพราะทุกท่านเดินท่ออินเตอร์ไว้อยู่แล้ว



lar.rc จาก lar.rc  114.128.47.38  ศุกร์, 20/8/2553 เวลา : 22:58   


คำตอบที่ 28
       มาแว้ว.....................
รบกวนถามหน่อยครับ
-ไทม์เมอร์ หามาจากที่ไหนครับ
-แก้ไขข้างใน ทำอย่างไรบ้าง.
-รั่วบ้างไหม
ถ้าใช้งานได้ดีก็น่าสนใจทำบ้าง ชอบเสียงเหมือนกัน เอาให้ พวกเบนซิลงงไปเลย..................


จาก หนู ไบโอแก๊ส 1.47.167.89 พฤหัสบดี, 19/8/2553 เวลา : 07:38

ตอยครับ

1 ไทม์เมอร์ หาได้ตามร้านอะไหล่รถยนต์ทั่วไป(ทั่วประเทศ)

2แก้ไขข้างในคือ ตัดหรือหาสปริงที่มันอ่อนกว่าของเดิมใส่(หรือขันน๊อตในรุนที่ตั้งได้)เพราะแรงดูดของลมเบรคน้อยกว่าแรงดูดของท่อร่วมไอดีรถเบ็นซิน

3 ไม่รั่วขณะเร่งนะครับ เพราะแรงดันบูสจะมาดันให้ลิ้นโบล์ออฟปิดเหมือนของเบนซินอยู่แล้ว แต่
ถ้ารั่วขณะเดินเบาจะเกิดจากแรงกดของสปริงหลังโบล์ออฟวาวน้อยเกินไป ตอนนี้ของผมไม่ได้ใส่สปริงเลย
เพราะหาขนาดใกล้เคียงแต่อ่อนกว่ายังไม่เจอเลยใช้อย่างนี้ไปก่อน จะได้มีเวลาไปแก้จุดอ่อนอื่นๆก่อน




lar.rc จาก lar.rc  114.128.47.38  ศุกร์, 20/8/2553 เวลา : 23:21   


คำตอบที่ 29
       ไทม์เมอร์ เวลาไปซื้อบอกว่า...ทามเมอร์หัวเผา รถดีเซลเอาของทั่วไป .. ข้างในจะมีคู่มือการต่อวงจรแถมมาให้ด้วยคงไม่น่าจะเป็นปัญหาเพราะทุกท่านเก่งอยู่แล้ว



lar.rc จาก lar.rc  114.128.47.38  ศุกร์, 20/8/2553 เวลา : 23:26   


คำตอบที่ 30
       คำตอบที่ 14
แล้วมันจะมีผลไหมหว่า ถ้าบูสหนักๆๆ แล้วถ้าซัดๆในเมืองเหยียบแล้วยกแล้วไปต่อ การต่องเนื่องของอากาศจะเป็นไงครับ แต่ก็ชอบแปลกดี


จาก RESCUE 180.183.57.200 พฤหัสบดี, 19/8/2553 เวลา : 06:34

บูสหนักๆยังไม่เคยลองครับเพราะเริ่มคบหากับเทอร์โบลูกแรกก้อ โบเดิมนี่แหละ ตั้งที่ 18 เสียงได้ที่8-15 กำลังดี (ของผม)
ไปเดินเซียงกงตอนแรกจะเอาทั้งเครื่องคุยไปคุยมา รู้ตัวอีกทีนั่งรื้อ เขาไอดีไอเสีย-แป้นน้ำมันเครื่อง-ฝาปั้มจากเครื่องสดๆเลยครับ
ในกรณีเหยีบมา..ยก ฟิ้ว...เหยียบ ไปต่อ อันนั้นแล้วแต่ความปรี๊ดของเทอร์โบแต่ละท่านว่าจะปั่นลมได้ทันใจแค่ไหน



lar.rc จาก lar.rc  114.128.47.38  ศุกร์, 20/8/2553 เวลา : 23:46   


คำตอบที่ 31
       ขอบคุณครับ



nissan จาก m  58.9.162.7  เสาร์, 21/8/2553 เวลา : 09:57   


คำตอบที่ 32
       ขอบคุณท่าน lar.rc เริ่มกระจ่างแล้วครับ
อยากเห็น ตำแหน่ง ติดตั้ง สวิทช์อ่ะครับ เอาไว้ตรงปั๊มป์ หรือที่ ขาคันเร่ง

หากเราไม่เอาสปริงออก แต่เราสร้างกล่องสำหรับเก็บแรงดูดไว้ จะพอมั้ยครับ เคยลองทำหรือเปล่า

ขอบคุณครับ



korn_ จาก หนู ไบโอแก๊ส  1.47.251.41  เสาร์, 21/8/2553 เวลา : 11:15   


คำตอบที่ 33
       ติดตั้งยังไงบ้างครับเห็นแล้วจะลองทำบ้างครับ เครื่องเดิม โบเดิม จะดังมัยครับ วาว์..........วู้............



mut จาก mut  110.49.205.235  เสาร์, 21/8/2553 เวลา : 22:44   


คำตอบที่ 34
       ค้นของเล่นในบ้าน ไปเจอมา เก็บไว้นานแล้ว เคยคิดทำ แต่แก้ปัญหาเรื่องวาล์วเปิดค้างช่วงเดินเบาไม่ได้ ขอบคุณท่าน lar.rc เรื่อง รีเลย์หัวเผาครับ





korn_ จาก หนู ไบโอแก๊ส  1.46.252.102  อาทิตย์, 22/8/2553 เวลา : 20:45   


คำตอบที่ 35
       เป็นสวิมช์ ที่ติดมากับเครื่อง 4JB-1T ตัวนอก บริเวณปั๊มป์หัวฉีด ทนใช้ได้เลย






korn_ จาก หนู ไบโอแก๊ส  1.46.252.102  อาทิตย์, 22/8/2553 เวลา : 20:47   


คำตอบที่ 36
       ตัวนี้ โซลินอยด์ ถอดมาจากเครื่อง ตามฟาร์มหมู





korn_ จาก หนู ไบโอแก๊ส  1.46.252.102  อาทิตย์, 22/8/2553 เวลา : 20:49   


คำตอบที่ 37
       ยังขาดก็แต่ โบลว์ออฟวาล์ว กับ รีเลย์หัวเผา ยังไม่มีตังค์ซื้อเลย....... สงสัยต้องใช้ EGR วาล์ว ไปพลางๆก่อน

สำหรับ พวกดราก้อน ที่มี EGR อยู่ แค่ถอดท่อ ที่เดินข้ามระหว่าง ไอดีกับไอเสียออก ก็ดังแล้วครับ หากไม่ดังก็ ปรับสวิทช์บริเวณปั๊มป์ จนกว่าจะดังครับ

ต่อให้ครบนะครับ ดราก้อน จะมีกล่องคุม EGR อยู่บริเวณ ที่พักเท้าฝั่งคนนั่งอ่ะครับ



korn_ จาก หนู ไบโอแก๊ส  1.47.187.249  อาทิตย์, 22/8/2553 เวลา : 20:58   


คำตอบที่ 38
       ต้องขอบคุณท่าน lar.rc จริงๆนะครับ ทำได้แล้ว เอามาเป็นวิทยาทาน ทำให้ ผมอยากทำบ้าง และแก้โจทย์ได้ทั้งหมด เดี๋ยวลงมือทำแล้ว จะเอามาให้ดูบ้างนะครับ



korn_ จาก หนู ไบโอแก๊ส  111.84.229.84  อาทิตย์, 22/8/2553 เวลา : 21:27   


คำตอบที่ 39
       พี่หนูรถหนึ่งดันเอาอีจีอาร์ทิ้งไปไว้ไหนแล้วก็ม่ายรู้ดิ่ครับ ว่างๆลองทำเล่นกานดีกว่าอิอิ



อนุบาลออฟโรด จาก อนุบาลออฟโรด  110.49.193.236  อาทิตย์, 22/8/2553 เวลา : 21:31   


คำตอบที่ 40
       พี่หนึ่งผ้าคลัตช์กับหวีเสริมของ 4d56 ของเพื่อนพี่ยังอยู่ไหมครับ ที่เคยคุยกับพี่ไว้ ดิดครับ ตอนนี้ลงโบ z18 คลัตช์ลื่นแล้วครับถ้ายังอยู่แจ้งด้วยครับ 0862741455 ขอบคุณครับ



kkkx จาก kkkx  182.232.104.172  อาทิตย์, 22/8/2553 เวลา : 21:36   


คำตอบที่ 41
      



yann จาก yann  202.12.74.249  จันทร์, 23/8/2553 เวลา : 12:57   


คำตอบที่ 42
       กล่องไทม์เมอร์หัวเผา



lar.rc จาก lar.rc  117.47.145.232  จันทร์, 23/8/2553 เวลา : 20:49   


คำตอบที่ 43
      





lar.rc จาก lar.rc  117.47.145.232  จันทร์, 23/8/2553 เวลา : 20:51   


คำตอบที่ 44
       ตำแหน่งการติดตั้งสวิสซ์





lar.rc จาก lar.rc  117.47.145.232  จันทร์, 23/8/2553 เวลา : 20:52   


คำตอบที่ 45
      





lar.rc จาก lar.rc  117.47.145.232  จันทร์, 23/8/2553 เวลา : 20:53   


คำตอบที่ 46
       สามทางจากท่อลมไดชาร์จเข้าหม้อเบรก





lar.rc จาก lar.rc  117.47.145.232  จันทร์, 23/8/2553 เวลา : 20:55   


คำตอบที่ 47
       ใส่3ทางและก็อกคลายลมให้โบล์ออฟปิด หากเป็นรุ่นที่มีตัวคลายลมในตัวก้อไม่ต้องใส่





lar.rc จาก lar.rc  117.47.145.232  จันทร์, 23/8/2553 เวลา : 20:57   


คำตอบที่ 48
       2วันนี้งานเข้าเยอะก้อเลยไม่มีเวลามาลง

สวิสซ์แบบที่ผมใช้มีข้อดี และลงตัวที่สุด ตรงที่เราสามารถปรับตั้งการทำงานได้ทุกช่วง%ของการเหยียบคันเร่ง
เพราะจุดเปิดที่พอดีไม่ได้อยู่ตรงที่คันเร่ง 0 เพราะเมื่อยกคันเร่งบูสช่วงนี้เกือบหายจะหมดแล้ว
แต่จะอยู่ระหว่าง 40-60% แล้วแต่ช่วงการใช้งานและนิสัยการขับของแต่ละคน
ยกตัวอย่างเช่น ตอนที่เราแบบธรรมดาช่วงโลว์บูส(ยังไม่ถึง3000รอบ)ช่วงนี้โบล์ออฟจะไม่มีทางเปิดเพราะยังมีก้านสปริงคอยยืดหยุ่น
จะเหยียบ ยก เหยียบ..ยก ก้อไม่เป็นไร(จึงไม่ต้องใส่สวิสซ์ตัดการทำงานของวงจร)
และถ้าเราเริ่มกดคันเร่งตั้งแต่2000รอบ ..และลากไปเลย 3000รอบ (หรือเกินกว่านั้น)บูสเริ่มเต็ม...
เรายังมีเวลาเลี้ยงคันเร่งครึ่งหลังของสวิสซ์ หาก ยกคันเร่งเมื่อไหร่ก้อ...ฟิ้วว.ทันที



lar.rc จาก lar.rc  117.47.145.232  จันทร์, 23/8/2553 เวลา : 21:18   


คำตอบที่ 49
       ขอบคุณท่าน lar.rc บรรยายแบบเห็นภาพเลย พอเข้าใจแล้วครับ เดี๋ยวลงมือทำแล้ว จะเอามาแชร์บ้าง..................

ท่าน lar.rc ถ่ายรูปรถ โดยรวมมาชมกันบ้างครับ อยากเห็น................................



korn_ จาก หนู ไบโอแก๊ส  1.47.252.78  จันทร์, 23/8/2553 เวลา : 21:57   


คำตอบที่ 50
       ของเล่นเยอะจริงๆ



wut.048 จาก wut  58.136.6.138  อังคาร, 24/8/2553 เวลา : 12:20   


คำตอบที่ 51
       รอชมด้วยคนครับ น่าสนใจจิงๆ



yann จาก yann  202.12.74.245  อังคาร, 24/8/2553 เวลา : 12:57   


คำตอบที่ 52
       เอามาให้ชมครับ กลับไปค้นที่บ้านมา.................





korn_ จาก หนู ไบโอแก๊ส  1.46.3.86  อังคาร, 24/8/2553 เวลา : 21:16   


คำตอบที่ 53
       อีกด้าน.....................





korn_ จาก หนู ไบโอแก๊ส  1.46.3.86  อังคาร, 24/8/2553 เวลา : 21:19   


คำตอบที่ 54
       ลิ้นเล็กกว่า โบล์วออฟวาล์ว ไปนิด แต่ทำไงได้ ช่วงนี้ทุนน้อย.............................





korn_ จาก หนู ไบโอแก๊ส  1.46.3.86  อังคาร, 24/8/2553 เวลา : 21:22   


คำตอบที่ 55
       รอดูพี่หนูด้วยคน



2.5TURBO จาก prite  111.84.47.202  อังคาร, 24/8/2553 เวลา : 21:22   


คำตอบที่ 56
       ขอบคุณครับท่าน prite ยังขาด ไทม์เมอร์หัวเผา กับ เอา EGR วาล์ว ไปแก้ใขหน้าตาให้ดูดีหน่อย..................

ระยะยกก็สูงเหมือนกันนะเนี่ย.....................





korn_ จาก หนู ไบโอแก๊ส  1.46.3.86  อังคาร, 24/8/2553 เวลา : 21:26   


คำตอบที่ 57
       คุณหนู PM ที่อยู่มาครับ เด๋วจะส่งไทม์เมอร์-โซลินอยกับสวิสซ์ไปให้ จะได้สำเร็จไวๆๆ รู้สึกว่ายังจะมีเหลืออยู่อีกชุดนึง



lar.rc จาก lar.rc  222.123.85.13  อังคาร, 24/8/2553 เวลา : 21:40   


คำตอบที่ 58
       เข้ามาติดตามครับ สนใจมากๆ



Slbn จาก ม้าสีทอง  124.121.80.85  อังคาร, 24/8/2553 เวลา : 21:54   


คำตอบที่ 59
       ขอบคุณ ท่าน lar.rc ครับ ได้ความรู้แล้ว ยังได้อุปกรณ์อีก ค่าใช้จ่ายเท่าไหร่ แจ้งมาด้วยนะครับ

นาย นิกร เชยจุ้ย
-39 ม.1 ต.ชำฆ้อ อ.เขาชะเมา จ. ระยอง 21110

ขอบคุณครับ ส่งเมื่อไหร่ แจ้งให้ทราบด้วยนะครับ ไปรษณีย์แถวๆนี้ ต้องตามจี้ครับ........................



korn_ จาก หนู ไบโอแก๊ส  1.46.68.69  อังคาร, 24/8/2553 เวลา : 22:22   


คำตอบที่ 60
       บ้านพี่หนูเหมือนกระเป๋าโดเรม่อนเลย อยากได้อะไรก็มีมาให้ใช้....



dearruam1 จาก นู๋เดียร์  27.130.83.117  พุธ, 25/8/2553 เวลา : 01:36   


คำตอบที่ 61
       มีไม่กี่ชิ้นหรอกครับ นู๋เดียร์ แต่พอดีเก็บไว้อ่ะครับ



korn_ จาก หนู ไบโอแก๊ส  111.84.203.81  พุธ, 25/8/2553 เวลา : 07:00   


คำตอบที่ 62
       ติดตามชมด้วยคนคับ



golf_ จาก กอล์ฟ  183.89.149.190  พุธ, 25/8/2553 เวลา : 19:21   


คำตอบที่ 63
       ถึงไหนแล้วครับพี่หนูรอชมอยู่ครับ



nissan จาก m  58.9.157.123  พฤหัสบดี, 26/8/2553 เวลา : 20:02   


คำตอบที่ 64
       พี่หนูครับมีน้องๆรอชมเยอะนะครับ



2.5TURBO จาก prite  1.47.91.20  พฤหัสบดี, 26/8/2553 เวลา : 20:21   


คำตอบที่ 65
       จัดชุดมาให่ชมกันเลยนะคับ แบบ ว่าทำตามได่เลยเห็นรูป บอกขันตอนเลยนะครับ จะทำด้วย



mut จาก mut  110.49.193.138  พฤหัสบดี, 26/8/2553 เวลา : 20:37   


คำตอบที่ 66
       รายงานความคืบหน้าหน่อยครับ EGR วาล์ว เหลือแค่นี้แล้วครับ





korn_ จาก หนู ไบโอแก๊ส  111.84.79.4  พฤหัสบดี, 26/8/2553 เวลา : 22:32   


คำตอบที่ 67
       เดี๋ยวติดตั้งเสร็จเมื่อไหร่ ค่อยทำปากแตรใส่ ให้เสียงดังดีอีกหน่อย..............





korn_ จาก หนู ไบโอแก๊ส  111.84.79.4  พฤหัสบดี, 26/8/2553 เวลา : 22:37   


คำตอบที่ 68
       ตำแหน่งติดตั้ง สวิทช์ครับ





korn_ จาก หนู ไบโอแก๊ส  111.84.79.4  พฤหัสบดี, 26/8/2553 เวลา : 22:39   


คำตอบที่ 69
       ก็ทำตามที่ท่าน lar.rc โพสไว้ใน คำตอบ ที่ 43-47 อ่ะครับ





korn_ จาก หนู ไบโอแก๊ส  111.84.79.4  พฤหัสบดี, 26/8/2553 เวลา : 22:40   


คำตอบที่ 70
       ท่าน อื่นๆ ลองทำกันดูนะครับ ติดขัดตรงไหน หรือได้เคล็ดอะไรดีๆ ก็เอามาแชร์กันครับ





korn_ จาก หนู ไบโอแก๊ส  111.84.79.4  พฤหัสบดี, 26/8/2553 เวลา : 22:42   


คำตอบที่ 71
       พี่หนูครับ ผมจะเอา BOV ไปใส่แทนไอ้ รีลีฟวาล์ว ได้ไหมครับ พอดีเกิดแนวความคิดมาแบบนี้ เพราะผมคงไม่กล้าเล่นบูสเกิน 15 ปอนแน่ๆ
กลัวพังครับผม อิอิอิ แต่ที่แน่ๆตอนนี้ลองวิ่งดูเสียงของรีลีฟวาล์วเวลามันตัดก็ได้ใจไปอีกแบบ เสียอย่างเดียวเวลามันตัดแล้วบูสสะดุด อิอิอิ



strmotor จาก ตะวันตัดบูรพา  114.128.226.202  เสาร์, 28/8/2553 เวลา : 00:02   


คำตอบที่ 72
       รีลีฟวาล์ว คือตัวอ่ะไรเหรอครับ ทำหน้าที่อ่ะไรครับ แล้ว isuzu มีใช้หรือเปล่าครับ

 แก้ไขเมื่อ : 28/8/2553 2:09:25



nissan จาก m  58.9.157.123  เสาร์, 28/8/2553 เวลา : 02:05   


คำตอบที่ 73
       ท่าน m ครับ รีลีฟวาล์วทำหน้าคล้ายๆกันกับBOVครับ คือเป็นตัวตัดบูสทิ้ง แต่ต่างกันตรงที่BOV ใช้แรงดูดมาเปิดให้ทำงาน รีลีฟวาล์วใช้แรงดันที่เกินกำหนดมาดันออกครับ ส่วนหน้าตาก็เป็นดังภาพนี้ครับผม





strmotor จาก ตะวันตัดบูรพา  222.123.60.146  เสาร์, 28/8/2553 เวลา : 07:39   


คำตอบที่ 74
       ลองทำเล่นดูก็ได้ครับ ท่านตะวัน ช่วงนี้หากเราเหยียบคันเร่ง จนรีลีฟวาล์วเปิด แล้วขืนกดต่อไปยาวๆ จะทำให้เทอร์โบทำงานหนัก อันตรายครับ ทางที่ดี ลดบูสท์ลงหน่อยดีกว่าครับ

รีลีฟวาล์ว ส่วนใหญ่เจอใน พวกรถสิบล้อ 4D56 LD20 ส่วน ISUZU ไม่มีครับ ท่าน M รถท่าน M เป็นอย่างไรบ้างครับ



korn_ จาก หนู ไบโอแก๊ส  111.84.149.199  เสาร์, 28/8/2553 เวลา : 07:49   


คำตอบที่ 75
       ขอบคุณครับพี่หนู ว่าแต่ราคา BOV นี่มันกี่บาทหรอครับ มือสองที่บอร์ดของเรามีไหม



strmotor จาก ตะวันตัดบูรพา  222.123.60.146  เสาร์, 28/8/2553 เวลา : 09:40   


คำตอบที่ 76
       ถ้าแบบที่ท่าน lar.rc ใช้ ก็ 2พันกลางๆ ครับ เป็นของก๊อปครับ
เลือกใช้แบบนี้ หรือแบบอื่นก็ได้ แต่ต้องเป็นแบบ ใช้ลมช่วยกดลิ้น แบบนี้นะครับ หากเป็นแบบรุ่นก่อนๆ จะต้องเอาลมมาช่วยกดที่แผ่นไดอะแฟรมอีที ซึ่งดีเซลไม่มี จะทำให้รั่วได้ครับ แต่ถ้าอยากให้มีก็ต้องหาทางเอาครับ เดี๋ยว วิจัยก่อน



korn_ จาก หนู ไบโอแก๊ส  1.47.204.160  เสาร์, 28/8/2553 เวลา : 09:47   


คำตอบที่ 77
       สเตป ท่านหนูตอนนี้ไปถึงไหนแล้วครับ ติดขัดขั้นตอนไหนถามได้นะครับ



lar.rc จาก lar.rc  112.142.121.91  เสาร์, 28/8/2553 เวลา : 10:51   


คำตอบที่ 78
       โบล์ออฟ ARC เพื่อนมันฝากขายไว้นานละ แต่ไม่ได้ลงให้มันเคยลองตอนบูส 8 ดังน้อยกว่าHKS สงสัยเค้าจะทำมาเพื่อรองรับบูสสูงกว่านี้
ค่าตัว1200 ครับ





lar.rc จาก lar.rc  112.142.121.91  เสาร์, 28/8/2553 เวลา : 11:02   


คำตอบที่ 79
       เหมือนเดิมครับพี่หนูยังคงมีควันขาวอยู่แต่น้อยแล้วครับน้ำมันก้อยังหายแต่ไม่มากเหมือนแต่ก่อน ช่างบอกว่าแรงดันลงแคร้งให้ใช้ไปสักพักก่อนซัก5000โล ให้ปลอกกับแหวนอยู่ตัวก่อน ช่างบอกว่าเราไม่ใด้ของแท้ก้อต้องทำใจครับ



nissan จาก m  58.9.157.123  เสาร์, 28/8/2553 เวลา : 15:59   


คำตอบที่ 80
       สวิทที่ใช้หาซื้อได้ที่ไหน บอกว่าสวิทอะไรคับ



i m จาก เอ็ม ไดเร็กเก่าๆ  117.47.202.116  เสาร์, 28/8/2553 เวลา : 18:18   


คำตอบที่ 81
       สวิทช์ หาซื้อเอา ตามร้านอะไหล่อิเล็กซ์ทรอนิกส์อ่ะครับ เลือแบบที่ กดติด-ปล่อยดับอ่ะครับ ส่วนเรื่องขนาดหน้าตา เลือกเอาตามใจเราครับ เอาให้เหมาะกับตำแหน่งที่เราจะติดตั้งอ่ะครับ ไม่เกะกะเป็นใช้ได้


ขอบคุณครับช่างlar.rc ยังไม่ได้ออกไปไหนเลย พอดีติดงานศพ แถวบ้านอ่ะครับ
เหลือก็แต่หาตำแหน่งติดตั้งครับ ต้องดัดแปลงนิดหน่อย เลยยังไม่มีเวลาทำครับ
อีกเรืองครับ กำลังหา โซลินอยด์สวิทช์ แบบปกติเปิดอยู่ครับ แบบที่ไม่จ่ายไฟ แต่ลมผ่านได้อ่ะครับ
-เอาไว้เอาแรงดันจากท่ออินเตอร์ มาช่วยกดหน่อยครับ กันรั่วครับ ใครเจอผ่านตาบอกกันบ้างนะครับ



korn_ จาก หนู ไบโอแก๊ส  1.47.167.48  เสาร์, 28/8/2553 เวลา : 18:36   


คำตอบที่ 82
       เอามาฝากครับ ช่าง หล้า กว่าจะหาเจอ


http://www.weekendhobby.com/offroad/mitsubishi/Question.asp?ID=16616



korn_ จาก หนู ไบโอแก๊ส  1.47.191.178  เสาร์, 28/8/2553 เวลา : 21:07   


คำตอบที่ 83
       อยากทำเหมือนกันแต่เขาบอกกันว่าใด้แต่เสียง แต่รถวิ่งห่วยลง จริงเท็จอย่างไร พราะถ้าใส่แล้วมีแต่ผลดีผมคงเสียดายแย่ เพราะ ไอดีisuzu ที่ผมใด้มาใหม่มันมีลิ้นเปิดปิดมาด้วย แต่ตัดทิ้งไปแล้ว หรือแบบนี้ไม่ต้องใช้ลิ้นเปิดปิด

 แก้ไขเมื่อ : 30/8/2553 12:49:28



torkaab จาก ต่อน้อย  58.11.73.152  จันทร์, 30/8/2553 เวลา : 12:21   


คำตอบที่ 84
       รีลีฟวาล์ว
ก็มีติดมาจากเขาไอดีของเครื่อง 4d56 บางตัวครับ ผมก็เรียกซะติดปากว่า โบว์ออฟวาล์ว พึ่งรู้วันนี้เองว่ามันชื่อ รีลีฟวาล์ว
ของผมเอาน็อดเกลียวเดียวกันอุดมันทิ้งไปแล้ว เวลาลมมันดันออกมันเสียของง่ะครับ อิอิ



i_herejoke จาก น้องโจ๊ก อนุบาลดีเซลฯ สุพรรณบุรี  114.128.168.212  จันทร์, 30/8/2553 เวลา : 14:44   


คำตอบที่ 85
       ก็น่าจะมีผลกับอัตราเร่งบ้างครับ คุณต่อน้อย กับความต่อเนื่องระหว่างเกียร์ ก็เลยทำสวิทช์เอาไว้ เวลาต้องการเสียง เราก็เปิด เวลาต้องการแรง เราก็ปิดครับ
การทำแบบนี้ ไม่ต้องใช้ ลิ้นเร่งครับ

วันนี้ไปทำเครื่องที่ฟาร์มมา เจอตัวนี้ไม่ได้ใช้ ก็เลยสอยมาทำหม้อพักลมซะเลย..........................
เตรียมตัวมาตั้งนานแล้ว ยังไม่ได้ลงมือทำซะที พรุ่งนี้ เริ่มละกาน......................





korn_ จาก หนู ไบโอแก๊ส  1.46.144.149  จันทร์, 30/8/2553 เวลา : 20:38   


คำตอบที่ 86
      





korn_ จาก หนู ไบโอแก๊ส  1.46.144.149  จันทร์, 30/8/2553 เวลา : 20:41   


คำตอบที่ 87
       วันนี้ลองเปลี่ยนจากโบล์ออฟวาล์ว มาใช้ EGR แทน ถอดท่อ ท่อนล่างทีจะเข้ากับเขาไอเสียออก เสียงที่ได้ ซว่า... ซว่า....
(หลับตานึกภาพตอนเอาไม้กวาดทางมะพร้าวกวาดพื้นซีเมนต์เปียก..อารมณ์นั้นเลยครับ)

เสียงดังกว่าลม ย้อนใบพัดเทอร์โบ ฟว้าววว.....(นิดหน่อย)

จอดข้างทางแล้วย้ายสายแว็คคั่มมาใส่ตรงโบล์ออฟเหมือนเดิม ฟิ้ววว.....เสียงต่างกันอย่างเห็นได้ชัดครับ

เลยถอดEGR ออกแล้วปิดรูไปเลยอย่างไม่เหลือเยื่อใยครับ






lar.rc จาก lar.rc  222.123.208.55  จันทร์, 30/8/2553 เวลา : 23:20   


คำตอบที่ 88
      





lar.rc จาก lar.rc  222.123.208.55  จันทร์, 30/8/2553 เวลา : 23:22   


คำตอบที่ 89
       แงแง ผมคงต้องทนฟังเสียงไม้กวาดไปอีกสักพัก จนกว่า จะมีตังค์ถอยโบลว์ออฟวาล์ว



korn_ จาก หนู ไบโอแก๊ส  115.67.218.239  อังคาร, 31/8/2553 เวลา : 06:45   


คำตอบที่ 90
       อยากทำมั่งของผมมันคงเปิดไวเหมือนกัน หม้อลม2ชั้นใหญ่มาก โบก็z ปั่นไวมาก 2000 ก็มาและ เดียวหาของก่อน แนะนำโบออฟทีพี่



torkaab จาก ต่อน้อย  110.168.106.18  อังคาร, 31/8/2553 เวลา : 09:37   


คำตอบที่ 91
       มี BOV ของ JZ turbo อยู่สองอัน อันละ 700 บาท พอซื้อไหมครับ เดี๋ยวจะหารูปมาให้ดู ผมว่าเป็นแบบที่พี่หนูกำลังอยากได้นะครับเพราะมันมีสองรู รูดูดกับรูดัน



strmotor จาก ตะวันตัดบูรพา  202.29.6.230  อังคาร, 31/8/2553 เวลา : 16:27   


คำตอบที่ 92
       พี่หนู ถ้ายังไม่นอนลงรูปได้เลยครับ เดี๋ยวจะไขปริศนาให้ครับ เมื่อกี้ตอนโทรมากะลังนวดอยู่พอดีครับ(คนขี้เมื่อย)



lar.rc จาก lar.rc  222.123.67.178  อังคาร, 31/8/2553 เวลา : 21:54   


คำตอบที่ 93
       แบบที่ผมอยากได้แบบนี้ครับ แบบใช้ลมช่วยกดวาล์วอีกทีครับ โบลว์ออฟวาล์วโรงงานใช้ไม่ได้ครับ เอาเป็นไม่น่าใช้ดีกว่า มีโอกาสรั่วสูงครับ เห็นลมสีม่วงมั้ยครับ เมื่อวาล์วปิด ลมจะช่วยกดให้แน่นอีกทีครับ





korn_ จาก หนู ไบโอแก๊ส  1.46.139.254  อังคาร, 31/8/2553 เวลา : 21:59   


คำตอบที่ 94
       ครับๆช่าง หล้า คงต้องรบกวนหน่อยนะครับ





korn_ จาก หนู ไบโอแก๊ส  1.46.139.254  อังคาร, 31/8/2553 เวลา : 22:00   


คำตอบที่ 95
      





korn_ จาก หนู ไบโอแก๊ส  1.46.139.254  อังคาร, 31/8/2553 เวลา : 22:03   


คำตอบที่ 96
       100บาท ที่ร้านตัดรถครับ................





korn_ จาก หนู ไบโอแก๊ส  1.46.139.254  อังคาร, 31/8/2553 เวลา : 22:05   


คำตอบที่ 97
       ยี่ห้อ ไทเกอร์ครับ แต่ลอกฉลากออกหมดแล้ว





korn_ จาก หนู ไบโอแก๊ส  1.46.139.254  อังคาร, 31/8/2553 เวลา : 22:06   


คำตอบที่ 98
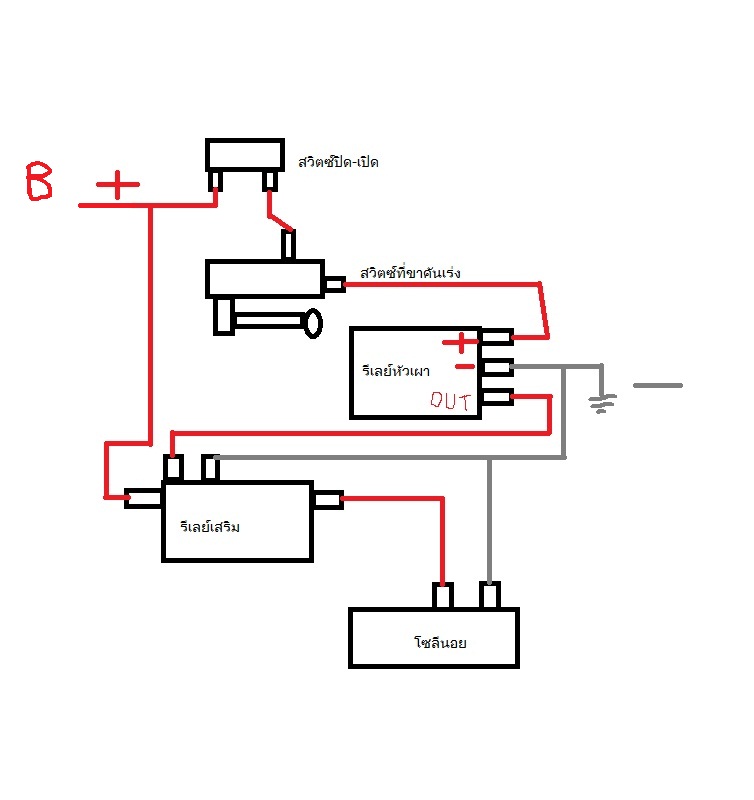
       สีแดง กับ สีน้ำเงิน พันรวมกัน แล้วต่อกับ ไฟสวิสซ์กุญแจ...IG+

สีเหลืองใหญ่ คือไฟที่ออกไปใช้งาน ..OUT (โซลินอยวาว)

สีดำ คือ กราวด์ ต่อกับ สวิสซ์ที่ขาคันเร่ง

สีเหลืองเล็กคือ จ่ายกราวด์ ไปหาหลอดไฟโชว์ (ยังไม่ได้ใช้ ตอนนี้ ปล่อยไว้ก่อน)

สีเขียวเล็กคือ จ่ายไฟ ไปหาหลอดไฟโชว์ (ยังไม่ได้ใช้ ตอนนี้ ปล่อยไว้ก่อน)


ไทม์เมอร์เป็นรุ่นเดียวกันกับที่ผมใช้อยู่ วงจรที่เค้าออกแบบมานี้ลงตัวที่สุดผ่านการใช้งานมาก กว่า10ปี จากที่ผมเห็นมา
ไม่มีปัญหาเลยนอกจากว่า
1 น้ำเข้า
2 ต่อผิด

ข้อควรระวังคือ สีเหลืองเล็กถ่าไม่ใช้งานควรพันเทปให้ดี





lar.rc จาก lar.rc  222.123.67.178  อังคาร, 31/8/2553 เวลา : 23:12   


คำตอบที่ 99
       ขอบคุณ ช่างหล้าครับ เดี๋ยวลองต่อดู.......................
สายสีเหลืองเล็ก หากไม่ได้ใช้ ใช้เทปพันไว้ หากหาเทปไม่ได้ เอา CD หรือ DVD พันได้มั้ยครับ เทปหายาก อิอิ



korn_ จาก หนู ไบโอแก๊ส  1.46.46.198  พุธ, 1/9/2553 เวลา : 06:12   


คำตอบที่ 100
       เกือบเสร็จแล้วครับ รายงานความคืบหน้ากันหน่อย.....................





korn_ จาก หนู ไบโอแก๊ส  1.47.141.175  พุธ, 1/9/2553 เวลา : 20:06   


คำตอบที่ 101
       แยกสามทางจากหม้อลมเบรค ใส่ถังพักซะหน่อย





korn_ จาก หนู ไบโอแก๊ส  1.47.141.175  พุธ, 1/9/2553 เวลา : 20:08   


คำตอบที่ 102
       เอารีเลย์ไว้ตรงนี้............. ไว้ในรถ กลัวเสียงดังน่ารำคาญ.................... แต่ดูๆแล้ว เสียงเครื่องกลบหมด





korn_ จาก หนู ไบโอแก๊ส  1.47.141.175  พุธ, 1/9/2553 เวลา : 20:10   


คำตอบที่ 103
       แวคคั่มโซลินอยด์ ไว้ตรงนี้..................





korn_ จาก หนู ไบโอแก๊ส  1.47.141.175  พุธ, 1/9/2553 เวลา : 20:13   


คำตอบที่ 104
       ยังเหลือติดตั้ง EGR ยังมองอยู่ ว่าจะไว้ตรงไหนดี................





korn_ จาก หนู ไบโอแก๊ส  1.47.141.175  พุธ, 1/9/2553 เวลา : 20:15   


คำตอบที่ 105
       มีสวิทช์ ตัดการทำงานไว้ซักตัว ยามที่ต้องการ...





korn_ จาก หนู ไบโอแก๊ส  1.47.141.175  พุธ, 1/9/2553 เวลา : 20:17   


คำตอบที่ 106
       พอทราบสาเหตุ ที่ทำให้มันดัวเหมือน ไม้กวาดแล้วครับ ผมว่า วาล์วมันยกสูงไป เดี๋ยวลองแก้ดู





korn_ จาก หนู ไบโอแก๊ส  1.47.141.175  พุธ, 1/9/2553 เวลา : 20:20   


คำตอบที่ 107
       ของครบแล้วครับ เหลือแต่ลงมือ อิอิอิ BOV เป็นของ SR20 ครับ ไปเอามาจากร้านที่เขารับวางเครื่อง พอดีเขาบอกถอดทิ้งก็เลยเสร็จเรา อิอิอิ





strmotor จาก ตะวันตัดบูรพา  202.29.6.246  พฤหัสบดี, 2/9/2553 เวลา : 12:35   


คำตอบที่ 108
       พี่หนูควรจะแก้ไขตรงย้ายถังพักลม เอาไว้ให้ใกล้กับโซลินอยมากที่สุดครับ เพราะจะมีผลกับเวลาเปิดสายเล็กยาวจะทำให้ดึงช้าแบบค่อยๆยก



lar.rc จาก lar.rc  222.123.24.188  พฤหัสบดี, 2/9/2553 เวลา : 12:38   


คำตอบที่ 109
       รบกวนพี่หนูอีกครั้งนะครับ ไม่ทราบว่าพี่หนูได้กรวยกรองอันใหม่หรือยังครับ



gross จาก ฟิล์ม  203.131.209.141  พฤหัสบดี, 2/9/2553 เวลา : 16:18   


คำตอบที่ 110
       ยังเลยครับท่าน ฟิล์ม ต้องขออภัยในความล่าช้า.................
ยังไงคาดว่าจะได้ราวๆ วันที่18อ่ะครับ เดี๋ยวฝากท่าน ม้าสีทองไปให้นะครับ อีกเรื่อง ปากเทอร์โบของผม 4นิ้วนะครับ


เอารูป EGR วาล์วมาให้ชมครับ
ขอบคุณครับ ช่างหล้า ของผมต้องยกนิดเดียวครับถึงจะดังดี ก็เลยไม่เป็นไร แถมยังต้องเอาน๊อตมาขวางไว้ด้านหลังตามรูปครับ





korn_ จาก หนู ไบโอแก๊ส  111.84.67.94  พฤหัสบดี, 2/9/2553 เวลา : 17:22   


คำตอบที่ 111
       อีกด้านครับ .................. เดี๋ยวใส่เสร็จ ค่อยออกไปลอง

ท่าน ตะวันครับ ต่อให้ถูกด้านนะครับ สำหรับ โบลว์ออฟวาล์ว ไม่งั้นรั่วนะครับ





korn_ จาก หนู ไบโอแก๊ส  111.84.67.94  พฤหัสบดี, 2/9/2553 เวลา : 17:26   


คำตอบที่ 112
       เสร็จซะที.............. เสียงก็ OK นะครับ อาจดังไม่เท่า โบลว์ออฟวาล์ว เดี๋ยวเก็บตังค์ซื้อเอาครับ





korn_ จาก หนู ไบโอแก๊ส  111.84.198.229  พฤหัสบดี, 2/9/2553 เวลา : 19:43   


คำตอบที่ 113
      





korn_ จาก หนู ไบโอแก๊ส  111.84.198.229  พฤหัสบดี, 2/9/2553 เวลา : 19:45   


คำตอบที่ 114
       ดังไม่มาก น่าจะมาจาก
-ท่อลมเล็กไปหน่อย
-จุดที่ต่อ อยู่ปลายทางแล้ว

ที่จะต้องทำต่อไปคือ
-ย้ายมาไว้ ฝั่งเทอร์โบ แล้วเดินท่อให้ไกล้ที่สุด แต่เอาไว้ก่อนละกาน..........................ไม่ค่อยมีเวลาเลย





korn_ จาก หนู ไบโอแก๊ส  111.84.198.229  พฤหัสบดี, 2/9/2553 เวลา : 19:49   


คำตอบที่ 115
       สรุปค่าใช้จ่ายกันหน่อย งานนี้ใช้ของเก่าเก็บหมดเลย............ซื้อแค่ เข็มขัด2ตัว 40บาทครับ

ขอบคุณช่างหล้า สำหรับคำปรึกษาครับ ทำให้ออกมาสำเร็จลุล่วงไปด้วยดีครับ



korn_ จาก หนู ไบโอแก๊ส  111.84.198.229  พฤหัสบดี, 2/9/2553 เวลา : 20:00   


คำตอบที่ 116
       ต่อยังไงครับพี่หนู ช่วยบอกทีพรุ่งนี้ว่าจะลงมือแล้ว



strmotor จาก ตะวันตัดบูรพา  114.128.219.139  พฤหัสบดี, 2/9/2553 เวลา : 21:15   


คำตอบที่ 117
       พี่หนูถ้าเป็นโบออฟแจ่มเลย จะรอดูพี่หนูต่อไป



2.5TURBO จาก prite  115.67.176.219  พฤหัสบดี, 2/9/2553 เวลา : 21:37   


คำตอบที่ 118
       ขอบคุณครับ ท่าน prite คงต้องรอนานหน่อยช่วงนี้งานเต็มเลย แถมเศรษฐกิจ ฝืดเคืองอีก ลองลงมือทำเล่นดีกว่าครับ


ต่อเข้าด้านที่ถอดได้อ่ะครับ ท่านตะวัน จะได้เอาลมมาช่วยกดอีกแรง เวลาบูสท์ครับ ส่วนอีกด้าน ตัดตรง งอ ออก แล้วใส่ปากแตรครับ ส่วนเรื่องเสียง ต้องลองปรับแต่งดูครับ อ้อ..... ถ้าใช้รีเลย์อย่างในรูป เวลาเดินเบา โบลว์ออฟวาล์ว จะเปิดค้างตลอดนะครับ ทางที่ดี ใช้ รีเลย์หัวเผาดีกว่าครับ



korn_ จาก หนู ไบโอแก๊ส  111.84.93.242  พฤหัสบดี, 2/9/2553 เวลา : 22:02   


คำตอบที่ 119
       ช้วยหาโบออฟเสียงแจ่มๆถูกๆให้ทีครับ



torkaab จาก ต่อน้อย  61.90.7.23  ศุกร์, 3/9/2553 เวลา : 12:14   


คำตอบที่ 120
       แจ่มเลยนะ...น้าหนู..งงงงงงช่วงนี้ได้กรีดยางบ้างไหม.............ฝนที่ชะเมาตกหนักไหมครับ........ว่างจะไปฟังเสียงง.......ปิ้ววววววววววว



musa/vega จาก musa/vega  124.122.82.248  ศุกร์, 3/9/2553 เวลา : 19:39   


คำตอบที่ 121
       สวัสดีพี่ musa/vega ครับ ช่วงนี้ มรสุมเข้าครับ ฝนตกทุกวัน ทั้งวัน กรีดยางไม่ค่อยได้เลยอ่ะครับ แงแง มีโอกาสผ่านมาก็แวะมาเที่ยวได้นะครับ

ท่าน ต่อน้อยครับ HKS ของก๊อบ 2พันกลางๆครับ ดีที่เป็นของใหม่ครับ
-อะไหล่ทุกชิ้นก็มีอายุการใช้งานกันทั้งนั้น อะไรที่มีกำลังซื้อใหม่ได้ ก็ซื้อครับ





korn_ จาก หนู ไบโอแก๊ส  1.47.172.73  ศุกร์, 3/9/2553 เวลา : 20:22   


คำตอบที่ 122
       สำเร็จไปอีก 1 คันดีใจด้วยครับพี่หนู ยังไงทดลองใช้แบบโหดๆดูหน่อยนะครับว่าเป็นไงบ้าง....



dearruam1 จาก นู๋เดียร์  183.89.218.225  ศุกร์, 3/9/2553 เวลา : 21:03   


คำตอบที่ 123
       hks ตัวนี้ใช้ใด้มั้ยครับ ถ้าใด้จัดเลย เสียงเป็นไงใครรู้บ่าง แท้ด้วย





torkaab จาก ต่อน้อย  124.122.23.252  เสาร์, 4/9/2553 เวลา : 14:54   


คำตอบที่ 124
       ตัวนี้ด้วย ทั้ง2ตัวเลยราคาไม่ถึง1000 ใด้มั้ยครับ แล้วตัวใหนน่าใช้กว่ากัน แท้ทั้งคู้





torkaab จาก ต่อน้อย  124.122.23.252  เสาร์, 4/9/2553 เวลา : 15:22   


คำตอบที่ 125
       ในที่สุดก็เสร็จแล้วครับพี่น้องครับ มาดูกันเลย
อันนี้ของที่ได้มา





strmotor จาก ตะวันตัดบูรพา  223.205.132.237  เสาร์, 4/9/2553 เวลา : 17:24   


คำตอบที่ 126
       ทำการดัดแปลงจนออกมาหน้าตาแบบนี้





strmotor จาก ตะวันตัดบูรพา  223.205.132.237  เสาร์, 4/9/2553 เวลา : 17:25   


คำตอบที่ 127
       อีกมุม (รูใหญ่มาก)





strmotor จาก ตะวันตัดบูรพา  223.205.132.237  เสาร์, 4/9/2553 เวลา : 17:26   


คำตอบที่ 128
       เอามาใส่แทนที่ไอ้นี้ (EGR)





strmotor จาก ตะวันตัดบูรพา  223.205.132.237  เสาร์, 4/9/2553 เวลา : 17:27   


คำตอบที่ 129
       ทำข้อต่อใส่ตรงนี้เลย





strmotor จาก ตะวันตัดบูรพา  223.205.132.237  เสาร์, 4/9/2553 เวลา : 17:28   


คำตอบที่ 130
       จับยัดเข้าไป......





strmotor จาก ตะวันตัดบูรพา  223.205.132.237  เสาร์, 4/9/2553 เวลา : 17:29   


คำตอบที่ 131
       ต่อสายดูดให้เรียบร้อย





strmotor จาก ตะวันตัดบูรพา  223.205.132.237  เสาร์, 4/9/2553 เวลา : 17:31   


คำตอบที่ 132
       ดูสายต่างๆอีกมุม





strmotor จาก ตะวันตัดบูรพา  223.205.132.237  เสาร์, 4/9/2553 เวลา : 17:31   


คำตอบที่ 133
       มาดูชุดควบคุมกันบ้าง





strmotor จาก ตะวันตัดบูรพา  223.205.132.237  เสาร์, 4/9/2553 เวลา : 17:33   


คำตอบที่ 134
       รีเลย์หัวเผา l200 ของแท้นะครับ ผมทำการปรับวงจรใหม่ให้มันตัดเร็วขึ้น จัดเวลาดูในการตัดวงจรอยู่ที่ 1.5 วินาที่





strmotor จาก ตะวันตัดบูรพา  223.205.132.237  เสาร์, 4/9/2553 เวลา : 17:35   


คำตอบที่ 135
       ใช้รีเลย์แบบนี้ช่วยอีกทีครับ เพราะรีเลย์ที่ติดมากับวงจรตัวเล็กนิดเดียว ต้องเจอแบบนี้ ทนสุดๆ





strmotor จาก ตะวันตัดบูรพา  223.205.132.237  เสาร์, 4/9/2553 เวลา : 17:37   


คำตอบที่ 136
       สวิตช์ที่ขาคันเร่งครับ ติดกันแบบง่ายๆอย่างนี้เลย





strmotor จาก ตะวันตัดบูรพา  223.205.132.237  เสาร์, 4/9/2553 เวลา : 17:38   


คำตอบที่ 137
       เสร็จแล้วครับผม





strmotor จาก ตะวันตัดบูรพา  223.205.132.237  เสาร์, 4/9/2553 เวลา : 17:39   


คำตอบที่ 138
       หลังจากไปทดสอบดู เสียงจะดีตอนบูสประมาณ 5 ปอนด์ขึ้นไปครับ ผมว่าจะหาอะไรมาทำลิ้นให้ลมวิ่งปะทะจะได้เกิดเสียงเหมือนของ HKS หัวเบนซ์ (คงนึกภาพออกนะครับ) เดี๋ยวทำเสร็จจะเอามาให้ดูใหม่





strmotor จาก ตะวันตัดบูรพา  223.205.132.237  เสาร์, 4/9/2553 เวลา : 17:42   


คำตอบที่ 139
       คนไทยไม่แพ้ชาติใดในโลก....



dearruam1 จาก นู๋เดียร์  27.130.57.115  เสาร์, 4/9/2553 เวลา : 17:53   


คำตอบที่ 140
       http://www.youtube.com/watch?v=HblCEQXQ8Q4&feature=related
ตัวอย่างการเปลี่ยน filter Bov นะครับ ไว้เป็นแนวทาง
สรุปค่าใช้จ่ายของผม
1. BOV ฟรี
2. โซลินอย 100
3. รีเลย์หัวเผา ฟรี
4. รีเลย์อีกตัว 20
5. สวิตซ์ 25
6. สายลม 50
7. ตัวรัด 20
8. ปากแตร 80
9. เป๊บซี้ 35 (กินไป ทำไป)
ส่วนของอื่นๆก็มีอยู่แล้วครับ
รวมๆแล้วผมไม่ถึง 500 บาทครับ อิอิอิ



strmotor จาก ตะวันตัดบูรพา  223.205.132.237  เสาร์, 4/9/2553 เวลา : 18:30   


คำตอบที่ 141
       ท่าน lar.rc ขอแบบวงจรหน่อยครับ ว่าต่อยังไงมั่งเรื่องระบบไฟ ผมจะทำระบบไฟให้เสร็จ แล้วไปร้านขายโบออฟลองใส่เลย อิอิ



torkaab จาก ต่อน้อย  110.168.32.113  เสาร์, 4/9/2553 เวลา : 22:16   


คำตอบที่ 142
       ห้องเครื่องผมโล่งมาก ผมจะเอาโบออฟต่อท่อยางเข้ากับวงแดงๆก่อนเข้าidนี้แหละ
ตอนนี้อยู่ในช้วงหาของ โซลินอยซื้อที่ใหนอะครับแล้วเอาแบบใหน อย่าลืมวงจรนะครับ ตรงรีเลย์รู้แล้วแต่จาก รีเลย์สายสีดำไปสวิทช์ แล้วมันยังไง เอาเป็นว่าวงจรทั้งหมดเลยดีกว่า อิอิ เอาแบบมีสวิทช์เปิดปิดการใช้งานด้วย ขอบคุณครับ

 แก้ไขเมื่อ : 4/9/2553 22:25:58

 แก้ไขเมื่อ : 4/9/2553 22:37:13





torkaab จาก ต่อน้อย  110.168.32.113  เสาร์, 4/9/2553 เวลา : 22:24   


คำตอบที่ 143
       ขออนุญาตบอกวิธีของผมแล้วกันนะครับ ตามรูปครับ รีเลย์หัวเผาแบบทั่วไปจะมีไฟที่วิ่งออกไปหัวเผากับอีกสายไว้เป็นไฟแสดงผล ขอแนะนำให้เอาสายที่เป็นไฟแสดงผลมาขับรีเลย์อีกตัวดีกว่าครับ เพราะรีเลย์หัวเผาส่วนใหญ่เวลามันเสียก็เสียที่หน้าคอนแท็คซ์นั่นแหละครับ แบบนี้ทนกว่าเห็นๆ





strmotor จาก ตะวันตัดบูรพา  223.205.132.237  เสาร์, 4/9/2553 เวลา : 23:36   


คำตอบที่ 144
       อยากทำมั่งจัง.....



KUNNATUM จาก เต่าตกมัน  182.93.157.4  เสาร์, 4/9/2553 เวลา : 23:56   


คำตอบที่ 145
       พี่หนูครับ เสียงของพี่หนูเป็นไงบ้างครับ ของผมสงสัยต้องหาอะไรมาทำลิ้นครับ ว่าจะเอานกหวีดมายัดใส่ซะเลย อิอิอิ



strmotor จาก ตะวันตัดบูรพา  114.128.134.141  อาทิตย์, 5/9/2553 เวลา : 09:50   


คำตอบที่ 146
       ตัวล่าง ในคำตอบที่ 124 น่าจะใช้ได้นะครับ ท่าน ต่อน้อย

ส่วนเสียงที่ผมได้ออกมา ยังดังไม่มากเท่าไหร่ครับ สงสัยต้อง HKS ซะแล้ว ในระหว่างนี้ ค่อยๆปรับปรุงไปเรื่อยๆครับ



korn_ จาก หนู ไบโอแก๊ส  1.47.46.211  อาทิตย์, 5/9/2553 เวลา : 10:36   


คำตอบที่ 147
       แต่ของผมz เดิมๆยิงสดออกหน้าเพลา มันก็ดังตอนถอนเหมือนโบออฟนะ โข่ง48นอก ท่อก็ไม่ใด้ทำพิเศษอะไร มันดังเพราะอะไรหว่า



torkaab จาก ต่อน้อย  110.168.126.206  อาทิตย์, 5/9/2553 เวลา : 21:26   


คำตอบที่ 148
       น่าจะเป็นเสียงใบหน้าเบรค ดังออกทางกรองอากาศครับ ของผมก็ดัง



korn_ จาก หนู ไบโอแก๊ส  1.46.186.208  อาทิตย์, 5/9/2553 เวลา : 22:24   


คำตอบที่ 149
       ""น่าจะเป็นเสียงใบหน้าเบรค ดังออกทางกรองอากาศครับ ของผมก็ดัง""

มันมีผลเสียมั้ยอะครับ



torkaab จาก ต่อน้อย  110.169.32.162  จันทร์, 6/9/2553 เวลา : 12:08   


คำตอบที่ 150
       ไม่นะครับ .... อาการปกติ ที่รถแรงๆ เค้าเป็นกันครับ 555+



korn_ จาก หนู ไบโอแก๊ส  1.46.14.51  จันทร์, 6/9/2553 เวลา : 12:13   


คำตอบที่ 151
       เยี่ยมไปเลยครับพี่หนู แล้วเสียงเป็นไงบ้างครับ..ดังเหมือนทำท่องอหลังโข่งหรือป่าวครับ



golf_ จาก กอล์ฟ  183.89.157.12  จันทร์, 6/9/2553 เวลา : 19:36   


คำตอบที่ 152
       ดังเหมือนโบลว์ออฟวาล์วเบนซิลอ่ะครับ แต่ของผม ยังไม่ดังเท่าที่ควรครับ...............



korn_ จาก หนู ไบโอแก๊ส  111.84.27.161  จันทร์, 6/9/2553 เวลา : 19:46   


คำตอบที่ 153
       หลังจากลองผิดลองถูกมาระยะหนึ่ง ก็ได้วิธีเรียกเสียงออกจาก BOV แล้วครับ มาดูกันเลย

อันนี้แบบแรกเริ่มครับ เสียงที่ออกมีแต่เสียงลม





strmotor จาก ตะวันตัดบูรพา  202.29.6.246  อังคาร, 7/9/2553 เวลา : 12:25   


คำตอบที่ 154
       อีกมุม





strmotor จาก ตะวันตัดบูรพา  202.29.6.246  อังคาร, 7/9/2553 เวลา : 12:26   


คำตอบที่ 155
       ทำการดัดแปลงสักหน่อย เริ่มจากหาปากแตรอันใหม่มาทำการเจาะรูหามุมลมสักหน่อย แต่ไม่รู้ว่ามันออกมามุมไหน ก็เลยเจาะแบบรอบทิศทางซะเลย






strmotor จาก ตะวันตัดบูรพา  202.29.6.246  อังคาร, 7/9/2553 เวลา : 12:29   


คำตอบที่ 156
      





strmotor จาก ตะวันตัดบูรพา  202.29.6.246  อังคาร, 7/9/2553 เวลา : 12:29   


คำตอบที่ 157
      





strmotor จาก ตะวันตัดบูรพา  202.29.6.246  อังคาร, 7/9/2553 เวลา : 12:30   


คำตอบที่ 158
       ออกมาหน้าตาแบบนี้





strmotor จาก ตะวันตัดบูรพา  202.29.6.246  อังคาร, 7/9/2553 เวลา : 12:32   


คำตอบที่ 159
       HKS เขามีแบบหัวเบนซ์ ของผมก็มี แต่เป็นหัวเบนซ์ตะปูเกรียวนะ อิอิอิ





strmotor จาก ตะวันตัดบูรพา  202.29.6.246  อังคาร, 7/9/2553 เวลา : 12:34   


คำตอบที่ 160
       แต่ยังไงก็ไม่สู้ของแท้หรอกครับพี่ๆ เอาไว้มีตังค์ก่อนแล้วกัน อิอิอิ





strmotor จาก ตะวันตัดบูรพา  202.29.6.246  อังคาร, 7/9/2553 เวลา : 12:36   


คำตอบที่ 161
       รบกวนถ่ายคลิปแล้วลงในยูทูปให้ทีครับอยากได้ยินเสียงจังเลย...



dearruam1 จาก นู๋เดียร์  27.130.63.245  อังคาร, 7/9/2553 เวลา : 12:45   


คำตอบที่ 162
       แจ่มเลย ตอนนี้ผมหาของให้เกือบครบและ
ที่มีตอนนี้
รีเลย์หัวเผา tiger 320 บาท
โซลินอย ฟรี
สวิทช์ ฟรี
hks แท้รุ่นเก่า รุ่นใหม่แพงๆ 1xxx บาท
ติดตั้งเร็วๆนี้ อิอิ


 แก้ไขเมื่อ : 7/9/2553 15:53:29



torkaab จาก ต่อน้อย  58.11.75.131  อังคาร, 7/9/2553 เวลา : 13:34   


คำตอบที่ 163
       รอชมด้วยคนครับ ท่าน ต่อน้อย

ขอบคุณท่านตะวันครับ เดี๋ยวลองทำมั่งดีกว่า จะได้ดังขึ้นอีกหน่อย.................



korn_ จาก หนู ไบโอแก๊ส  115.67.231.237  อังคาร, 7/9/2553 เวลา : 18:09   


คำตอบที่ 164
       ดีเซล เร่งรอบอยู่กับที่แล้วโบออฟดังมั้ยครับ



torkaab จาก ต่อน้อย  58.8.110.103  พฤหัสบดี, 9/9/2553 เวลา : 09:19   


คำตอบที่ 165
       ของผมไม่ดังอ่ะครับ ต้องวิ่งให้มีบูสท์ ถึงจะดังครับ
แต่ดีเซลเร่งอยู่กับที่ ไม่ค่อยมีปอนด์อยู่แล้ว ลองวิ่งดูดีกว่า



korn_ จาก หนู ไบโอแก๊ส  111.84.167.66  พฤหัสบดี, 9/9/2553 เวลา : 10:12   


คำตอบที่ 166
       เหมือนพี่หนูบอกครับ เร่งเครื่องอยู่กับที่ไม่ดังเท่าไหร่ เพราะไม่มีบูสขึ้น(ยกเว้นบ้าพลังเร่งจนมีบูส)

 แก้ไขเมื่อ : 9/9/2553 10:56:20



strmotor จาก ตะวันตัดบูรพา  202.29.6.246  พฤหัสบดี, 9/9/2553 เวลา : 10:53   


คำตอบที่ 167
       ของครบแล้วครับเอามาให้ชม รอวันว่างอย่างเดียว

ตำแหน่งติดตั้งโบออฟว่าจะให้ร้านท่อทำค้องอก่อนเข้าไอดีใหม่ แล้วเอาโบออฟเชื่อมติด จะเวิคมั้ยครับ เพราะมานปลายทางแล้ว รถผมบูส 20 psi

เป็นไงครับของไทยคิดเองถูกๆ ช่างล้า สุดยอด

 แก้ไขเมื่อ : 9/9/2553 21:46:48





torkaab จาก ต่อน้อย  124.120.166.98  พฤหัสบดี, 9/9/2553 เวลา : 19:17   


คำตอบที่ 168
       หุๆเจอมา อุปกรณ์ HKS SSQV Diesel ครบชุดของยุ่น
ของเราคิดเองราคาถูกกว่าเยอะ คนไทยไม่แพ้ชาติใดในโลกครับ





torkaab จาก ต่อน้อย  124.122.138.103  พฤหัสบดี, 9/9/2553 เวลา : 21:37   


คำตอบที่ 169
       ตามมาด้วยของ usa อุปกรณ์แทบไม่แตกต่าง แต่ต่างกันที่ราคา





torkaab จาก ต่อน้อย  124.122.138.103  พฤหัสบดี, 9/9/2553 เวลา : 21:47   


คำตอบที่ 170
       งงเรื่องก๊อกคายลมอะครับช่างล้า มันเป็นยังไง คือของผมเป็นแบบของพี่เลย ถ้าไม่ใช้จะมีผลยังไง



torkaab จาก ต่อน้อย  124.122.138.103  พฤหัสบดี, 9/9/2553 เวลา : 21:55   


คำตอบที่ 171
       ก็อกคลายลม ก็คือตัวที่คายลมเข้ากลับไปในโบลว์ออฟวาล์ว ตอนที่โซลินอยด์ปิดครับ ไม่อย่างนั้น โบลว์ออฟจะเปิดค้างตลอดครับ
ซึ่งโซลินอยด์ บางตัวก็จะคายเองได้ครับ สังเกตุง่ายๆเวลาเลือก คือ จุดเสียบสาย เราจะใช้ปากเป่าได้1ช่อง ในเวลาที่ไม่ได้จ่ายไฟ โดยจะมีช่องให้ลมออก ที่ไม่ใช่อีกทางหนึ่งอ่ะครับ



korn_ จาก หนู ไบโอแก๊ส  1.46.36.235  พฤหัสบดี, 9/9/2553 เวลา : 22:14   


คำตอบที่ 172
       เข้าใจและ งันของผมไม่มี ต้องใส่ตัวคายลม

ล่าสุดโทรถามช่างล้า ก๊อกคายคมก็คือตัวปรับลมธรรมดา ไอผมก็นึกไปถึงวันเววาวโนน งันหาโซลินอยใหม่ 555 ง่ายดี

ส่วนถ้าอยากให้ช่วงน่วงเวลาไวขึ้นเป็น 1.5วิ ให้เปลี่ยน คาปาเป็น 3.3 ไมโครทั้ง3 ตัว

 แก้ไขเมื่อ : 10/9/2553 10:28:07



torkaab จาก ต่อน้อย  124.122.138.103  พฤหัสบดี, 9/9/2553 เวลา : 22:20   


คำตอบที่ 173
       เหตุผลที่ BOV Super SQV เสียงดี





strmotor จาก ตะวันตัดบูรพา  114.128.21.82  พฤหัสบดี, 9/9/2553 เวลา : 23:41   


คำตอบที่ 174
      





strmotor จาก ตะวันตัดบูรพา  114.128.21.82  พฤหัสบดี, 9/9/2553 เวลา : 23:42   


คำตอบที่ 175
      





strmotor จาก ตะวันตัดบูรพา  114.128.21.82  พฤหัสบดี, 9/9/2553 เวลา : 23:42   


คำตอบที่ 176
       ออกไปสอยไทม์เมอร์มาให้แล้วนะครับท่านม้าสีทอง ปรับตั้ง จั๊มป์สายเรียบร้อยแล้ว รอติดตั้ง ยัเหลือ สวิทช์ กันโซลินอยด์ เดี๋ยวค่อยหาครับ

ของหนึ่ง ไว้รอ วันที่18 นะครับ

ขอบคุณ ช่างหล้า สำหรับคำปรึกษานะครับ





korn_ จาก หนู ไบโอแก๊ส  115.67.174.217  เสาร์, 11/9/2553 เวลา : 14:47   


คำตอบที่ 177
       วันนี้ว่าจะลองวงจรซักหน่อย อิอิ ซื้อโซลินอยมาอีกตัวกันเหนียว เอาแบบคายลมในตัว กันโบออฟเปิดค้าง
แต่ตอนนี้ยังทำใจกับการเจาะท่ออินเตอร์ไม่ใด้



torkaab จาก ต่อน้อย  124.121.119.218  อาทิตย์, 12/9/2553 เวลา : 08:40   


คำตอบที่ 178
       นีสนึงครับท่าน ต่อน้อย เจาะรถเดินท่ออินเตอร์ยังทำมาแล้ว เจาะท่ออีกหน่อยก็ได้เนอะ รอชมผลวานอยู่นะครับ



korn_ จาก หนู ไบโอแก๊ส  111.84.111.168  อาทิตย์, 12/9/2553 เวลา : 10:06   


คำตอบที่ 179
       เอาก็เอางันต้องหาฐานโบออฟ มิเนียมก่อน เพราะที่ติดมาเป็นเหล็ก ว่าแต่เชื่อมเป็นท่อแล้วใช้ท่อยางต่อเหมือนช่างล้า หรือเชื่อมแบบไม่ต้องมีท่อยางดีหว่า



torkaab จาก ต่อน้อย  203.144.130.176  อาทิตย์, 12/9/2553 เวลา : 14:59   


คำตอบที่ 180
       ใช้ท่อ ยางดีกว่าครับทีเดียวจบ เผื่อเปลี่ยนโบลออฟ ไม่ว่ารุ่นไหนก้อใช้ได้ไม่ต้องมาแก้อีก หรือ จะปิดก้อง่ายครับ ใช้จุกใส่ก้อปิดได้แล้ว

ขออภัยทุกท่านไม่ได้เข้ามาเลย คีบอร์ดเสีย เสร็จแล้ว ต่อมาลงวินโดว์ใหม่ และตอนนี้มัวแต่ลงขาย ฮ ใน อาร์ซีไทยอยู่ยุ่งจริงๆครับ



lar.rc จาก lar.rc  112.142.120.224  อาทิตย์, 12/9/2553 เวลา : 15:07   


คำตอบที่ 181
       สวิสซ์ ขอเน้น...ว่าควรจะเป็นแบบที่เป็นก้านลวด เพราะติดตั้งและปรับตั้งให้เหมาะสมกับการใช้งานนั้นลงตัวที่สุด แบบอื่นก้อใช้ใด้แต่เวลาขับต้องเกร็ง
กับการยกว่าจะพอดีใหม แค่ยกช้าหรือเร็วไป ล้วนมีผลต่อเสียงโดยตรงครับ หากใครยังไม่มีบอกได้ครับ ผมซื้อมาเผื่อไว้กะส่งให้พี่หนูแต่ถึงวันนี้แล้วยังไม่ได้ส่งเลยครับ(ไม่รู้ว่ายังต้องการอยู่หรือเปล่า) ส่วนโซลินอยรูใหญ่รู้สึกว่าจะไม่มีตัวคลายลมมานะครับ มีแต่ตัวรูเล็กครับ





lar.rc จาก lar.rc  112.142.120.224  อาทิตย์, 12/9/2553 เวลา : 15:20   


คำตอบที่ 182
       ไปถึงไหนกันบ้างครับแต่ละท่าน เสียงสะใจกันหรือยัง พี่หนูเปลี่ยนเสียงหรือยังครับ



strmotor จาก ตะวันตัดบูรพา  114.128.223.100  จันทร์, 13/9/2553 เวลา : 18:05   


คำตอบที่ 183
       วันนี้ผม ต่อระบบไฟเสร็จแล้ว โซลินอยใช้รูใหญ่แต่ต้องใช้ก๊อกคายลมเอาของตู้ปลามาใส่ เหลือแต่ระบบท่อ แต่เป็นแบบที่ช่างล้าบอกเลย สวิทช์ตั้งยากมาก ต้องใช้แบบลวด
มันซื้อใด้ที่ใหนอะพี่ อยาก ฟิวๆๆๆๆๆแล้ว
0820055389 ต่อครับ ไม่เกินอาทิตย์นี้ ใด้ชมกันแน่





torkaab จาก ต่อน้อย  110.169.213.93  จันทร์, 13/9/2553 เวลา : 19:09   


คำตอบที่ 184
       เสียงที่ได้ตอนนี้ ค่อนข้างพอใจครับ ท่าน ตะวัน ว่าจะหา วูวู เซล่า มาใส่ครับ เอาให้สะเทือนไปเลย................
รอชมด้วยคนครับ ท่าน ต่อน้อย



korn_ จาก หนู ไบโอแก๊ส  115.67.137.217  จันทร์, 13/9/2553 เวลา : 20:43   


คำตอบที่ 185
       ของครบอีก 1 ชุดครับ ส่วนจะอยู่ในรถใครนั้น เร็วๆนี้ครับ





korn_ จาก หนู ไบโอแก๊ส  111.84.66.26  อังคาร, 14/9/2553 เวลา : 16:23   


คำตอบที่ 186
       เร็วๆนะครับ ท่าน ต่อน้อย เดี๋ยวผมเสร็จก่อนนะครับ



korn_ จาก หนู ไบโอแก๊ส  111.84.66.26  อังคาร, 14/9/2553 เวลา : 16:27   


คำตอบที่ 187
       หุๆ รอก่อนพี่ น่าจะเป็นวันเสาร์นี้แหละ เมือคืนทดสอบโบออฟที่ซื้อมาลองเป่าดูไม่รั่วแน่นอน แต่ลมในระบบจะมีแรงดูดให้วาล์วโบออฟเปิดรึป่าวต้องลุ้นกันอีกที

ยังงงกับโบออฟที่ซื้อมาอยู่ มันมีรูเสียบ 2 อัน ต่ออันใหนก็ไม่รู้ มีที่ตูดกับที่หัว



torkaab จาก ต่อน้อย  203.144.130.176  อังคาร, 14/9/2553 เวลา : 16:37   


คำตอบที่ 188
       แนวคิดใหม่ครับ ใช้ โซลินอยด์ 2ตัว อีกตัวปกติเปิด อีกตัวปกติปิด
-เมื่อไม่จ่ายไฟ ตัวฝั่งลมดูดจะปิด แต่อีกตัวจะเปิด เอาลมจากท่ออินเตอร์มาช่วยกดโบลว์ออฟวาล์วให้ปิดสนิทขึ้น
-เมื่อจ่ายไป ตัวฝั่งลมดูดเปิด โบลว์ออฟวาล์วคายลม ในขณะที่อีกตัวก็ปิดครับ..............................................
เดี๋ยวลองกับรถตัวเองดูก่อน แล้วจะแจ้งผลให้ทราบนะครับ ตอนนี้ทำไรไม่ได้ ฝนตก





korn_ จาก หนู ไบโอแก๊ส  111.84.66.26  อังคาร, 14/9/2553 เวลา : 16:41   


คำตอบที่ 189
       เสร็จแล้ว 5555 แจ่มสุดๆ เดียวว่างๆลง youtube เลย

 แก้ไขเมื่อ : 18/9/2553 14:34:26





torkaab จาก ต่อน้อย  203.144.130.176  พุธ, 15/9/2553 เวลา : 09:39   


คำตอบที่ 190
       อยากใส่เหมือนกันคับ ไม่มีเวลาต้องเลี้ยงลูก เดี๊ยวรอให้ลูกโตก่อนเถอะ 555



i m จาก เอ็ม ไดเร็กเก่าๆ  117.47.104.149  พุธ, 15/9/2553 เวลา : 22:20   


คำตอบที่ 191
       ต้องขอบคุณพี่ล้ามากนะครับ ที่ส่งสวิทช์มาให้ เหมือนจะมีงานเข้า ไม่รู้โบออฟที่ซื้อมามันจะมีแรงเปิดวาว จากลมดูดในระบบรึป่าว ถ้าไม่ใด้ต้องถอยตัวใหม่แบบตั้งออนแข็งอีก เฮ้อๆๆ



torkaab จาก ต่อน้อย  58.8.42.49  พฤหัสบดี, 16/9/2553 เวลา : 14:40   


คำตอบที่ 192
       ไหนๆก็ไหนๆ แล้วคงต้องมีใครถอยหัวเบ๊นซ์บ้างละน่า

EH212765783TH ลายแทงครับ ส่งสวิสซ์ไป3ตัว หากใครยังไม่มีหรือต้องการก้อส่งต่อๆไปนะครับ

ให้ฟรีไม่คิดตังค์ครับ จะได้สำเร็จด้วยกันไวๆ



lar.rc จาก lar.rc  112.142.198.63  พฤหัสบดี, 16/9/2553 เวลา : 23:29   


คำตอบที่ 193
       ต้องแว่บไป ซายูริ ซะหน่อยแระ



seeucnx จาก เต้ย TD25Ti  222.123.22.156  ศุกร์, 17/9/2553 เวลา : 08:18   


คำตอบที่ 194
       สวิทช์ ใด้รับแล้วนะครับ ใครขาดก็มาเอาที่ผมนะครับ โทรมาใด้เลย 0820055389 ต่อครับ แล้วพี่หนูจะเอาด้วยมั้ยครับ ผมจะใด้เก็บไว้ให้ แล้วเอาไปให้ที่ระยองเลย อิอิ

ส่วนหัวเบ้น สงสัยจะโดน เพราะเมือคืนดูแล้วว่าโบออฟที่ซื้อมา มัน ไม่น่าจะใช้ใด้ สปิงมันแต่งไม่ใด้ และผมดูดๆๆๆๆมันก็ไม่เปิด เฮอๆๆๆ เซ็งเป็ด โดนอีก1800 งบเริ่มบาน555
แต่ด้วยความอยากต้องยอม


 แก้ไขเมื่อ : 17/9/2553 16:21:17



torkaab จาก ต่อน้อย  61.90.6.66  ศุกร์, 17/9/2553 เวลา : 16:10   


คำตอบที่ 195
       ขอบคุณ ช่างหล้า กับ ช่าง ต่อน้อย มากครับ สำหรับ สวิทช์ ผมเจอแหล่งที่นี่แล้วครับ ราคา 65บาท ครับ หากส่งมา เกรงว่าค่าส่งจะแพงกว่าอ่ะครับ

ชุดนี้ ใส่รถท่านม้าสีทองไปแล้ว วี๊ด........ด.ด......... ฟิ้ว.........ว..ว......................ว............... สมใจอยากไปเรียบร้อยแล้ว.............





korn_ จาก หนู ไบโอแก๊ส  1.47.235.11  ศุกร์, 17/9/2553 เวลา : 16:22   


คำตอบที่ 196
       วงจรณ์ และ ระบบการต่อใช้งานจริง ของโบออฟดีเซล สำหรับเพื่อนๆที่คิดจะทำ จะใด้ไม่ต้องงง การเลือกใช้โบวออฟ ต้องเป็นตัวที่แต่งสปริง หรือ ถอดใด้นะครับ ไม่งั้นวาล์วไม่เปิดนะครับ เครดิต โดยช่างล้า ขอบคุณมากครับพี่ พรุ้งนี้ เสร็จแน่นอน แซดๆๆๆฟิวๆๆๆ





torkaab จาก ต่อน้อย  61.90.6.66  ศุกร์, 17/9/2553 เวลา : 17:07   


คำตอบที่ 197
       พรุ่งนี้อัดเสียงลง youtube.com มาให้ฟังบ้างนะครับ ใจก้ออยากไปแต่กลัวจ่ะไปไม่ถึงน่ะครับ จ่ะใด้ลากกลับอ่ะ เซ็งกับรถตัวเองเหลือเกิน จ่ะพังก้อไม่พัง จ่ะดีก้อไม่ดี
พรุ่งนี้ขอให้สนุกกันน่ะครับ เก็บภาพบรรยากาศมาฝากคนฝั่งธนบ้างนะครับ



nissan จาก m  58.9.166.196  ศุกร์, 17/9/2553 เวลา : 17:57   


คำตอบที่ 198
       อยากทำบ้างจังเลยยยย....



dearruam1 จาก นู๋เดียร์  183.89.230.115  ศุกร์, 17/9/2553 เวลา : 18:29   


คำตอบที่ 199
       รอชมครับ ท่าน ต่อน้อย
ลงมือเลยครับ นู๋เดียร์



korn_ จาก หนู ไบโอแก๊ส  111.84.126.98  ศุกร์, 17/9/2553 เวลา : 19:16   


คำตอบที่ 200
       เสร็จแล้วครับ 4ja1 blow off valve งบ เริ่มบาน 555 หลังจากทำเสร็จ ผลเป็นที่น่าพอใจ ถ้าเครื่องเงียบๆ คงใด้ยินชัดๆเหมือนเครื่องเบนซินเลย ขอบคุณพี่ๆที่ให้คำแนะนำจนสำเหร็จนะครับ

มาดูรูปกันเลย
1 HKS super blow off valve แท้ๆ เสียงจะดังฟ่าๆๆ จากตอนแรกที่วาล์วไม่ยอมเปิด เพราะต่อ3ทางผิดจุด อิอิ ขอบคุณช่างล้ามากครับ





torkaab จาก ต่อน้อย  124.122.139.228  เสาร์, 18/9/2553 เวลา : 14:29   


คำตอบที่ 201
       การต่อ ใช้งาน จุดต่างๆโดยรวม เพื่อนๆว่างก็ทำดูนะครับสนุกดีใด้ความรู้เพิ่มด้วย

 แก้ไขเมื่อ : 18/9/2553 20:06:13





torkaab จาก ต่อน้อย  124.122.139.228  เสาร์, 18/9/2553 เวลา : 14:30   


      

Since 22, Feb 2001 hit counter View My Stats  Truehits.net      วัน<%=WeekdayName(Weekday(Date))%>,<%=formatdatetime(date(),1)%> (Online <%=Application("OnlineUsers")%> คน)
                                       

เพื่อลดภาระของ ฐานข้อมูล ซึ่งมีขนาดใหญ่มาก เพราะเวบเปิดมากว่า 10 ปี
จึงทำให้เวบช้าลงมาก ทีมงานจึงขออนุญาต แปลงข้อมูลจาก ฐานข้อมูลหลักเป็น SHTML File
เพื่อลดภาระการทำงานของ ฐานข้อมูลหลักครับ การแปลงฐานข้อมูลนี้ จะทำให้กระทู้นี้
ไม่สามารถตอบคำถามได้อีกต่อไปครับ แต่จะสามารถค้นหาชื่อกระทู้ และ Link ตรงมาที่หน้านี้ได้เหมือนเดิมครับ

ด้วยความนับถืออย่างสูง ทีมงาน Weekendhobby.com


Convert on : 14/9/2554 5:55:21

Error processing SSI file