WeekendHobby.com
เครื่องมือในการใช้งาน website =>> สมัครสมาชิก | Login | Logout | เปลี่ยนไอคอนส่วนตัว | เกี่ยวกับเรา | ติดต่อโฆษณา         View stat by Truehits.net


ขอความช่วยเหลือเรื่องข้อมูล โรงเรียน วัด สำนักสงฆ์ อนามัย มัสยิด และอื่นๆ
ชัยเล็ก
จาก ชัยเล็ก
IP:49.229.201.239

อังคารที่ , 24/7/2555
เวลา : 08:17

อ่านแล้ว = ครั้ง
 เก็บเข้ากระทู้ส่วนตัว
แจ้งตรวจสอบกระทู้
 แจ้งลบ
ส่งหาเพื่อน ส่งหาเพื่อน

       ต้องการข้อมูล สถานศึกษา วัด สำนักสงฆ์ อนามัย ที่ต้องการห้องสุขา ขนาด 6 ที่นั่ง ในเขตน้ำท่วม ใครมีข้อมูลช่วยส่งรายละเอียด รูปถ่าย มาให้กลุ่มคนอาสา ทางห้องนี้ จะเป็นข้อมูลสำหรับการพิจารณาในการทำโครงการ อาสาสร้างสุขา ซึ่งจะเริ่มโครงการเร็วๆนี้ จะมีประมาณ 40 โครงการ ซึ่งได้รับการสนับสนุน จากผู้ใหญ่ใจดีของเรา หลายๆแห่งมาร่วมกัน


 แสดงความคิดเห็นย่อย แสดงความคิดเห็นย่อย

แจ้งเพื่อเก็บขึ้นกระทู้พิเศษ คลิ๊กที่นี่แจ้งเพื่อนำขึ้นกระทู้พิเศษ

คำตอบแบ่งหน้าละ 30 คำตอบ ขณะนี้คุณอยู่ที่หน้า 1 จาก >>> 1  

คำตอบที่ 1
       เสนอที่นี่เลยครับ
ติดต่อ บ้านพี่สอนน้องฯ ตั้งขึ้นเพื่อหวังจะให้เด็กและเยาวชน
ในหมู่บ้านต้นลำไย ต.บ้านใหม่ อ.ท่าม่วง จ.กาญจนบุรี
ตามลิงค์นี้นะครับ

ขอเจริญพร
พระมาโนช ธมฺมครุโก
odthonwai@hotmail.com
084 902 0766 (12:30-16:00 น.)หลังเพลน

http://www.weekendhobby.com/volunteer/webboard/Question.asp?ID=4





 แสดงความคิดเห็นย่อย แสดงความคิดเห็นย่อย

webmaster จาก webmaster(นินจาฯ) 58.11.7.58 อังคาร, 24/7/2555 เวลา : 08:55  IP : 58.11.7.58   

edit แก้ไขคำตอบ   delete ลบคำตอบ 49

คำตอบที่ 2
       ฝากพิจารณาด้วยครับ






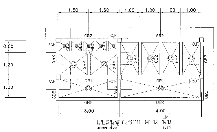
ตามนี้ครับ โถปัสสาวะไม่ต้องเอาออก แต่เพิ่มผนังกั้นชายหญิง ได้ป่าว อย่าลืมคำนวน เสาเข็ม ฟุตติ้ง ตอม่
จาก : ชัยเล็ก(ชัยเล็ก) 25/7/2555 13:04:26 [49.230.50.4]
 แสดงความคิดเห็นย่อย แสดงความคิดเห็นย่อย

seat boat จาก 01suwanaphum 124.120.54.71 พุธ, 25/7/2555 เวลา : 12:15  IP : 124.120.54.71   

edit แก้ไขคำตอบ   delete ลบคำตอบ 51

คำตอบที่ 3
      





 แสดงความคิดเห็นย่อย แสดงความคิดเห็นย่อย

seat boat จาก 01suwanaphum 124.120.54.71 พุธ, 25/7/2555 เวลา : 12:16  IP : 124.120.54.71   

edit แก้ไขคำตอบ   delete ลบคำตอบ 52

คำตอบที่ 4
      





 แสดงความคิดเห็นย่อย แสดงความคิดเห็นย่อย

seat boat จาก 01suwanaphum 124.120.54.71 พุธ, 25/7/2555 เวลา : 12:17  IP : 124.120.54.71   

edit แก้ไขคำตอบ   delete ลบคำตอบ 53

คำตอบที่ 5
      





 แสดงความคิดเห็นย่อย แสดงความคิดเห็นย่อย

seat boat จาก 01suwanaphum 124.120.54.71 พุธ, 25/7/2555 เวลา : 12:17  IP : 124.120.54.71   

edit แก้ไขคำตอบ   delete ลบคำตอบ 54

คำตอบที่ 6
      





 แสดงความคิดเห็นย่อย แสดงความคิดเห็นย่อย

seat boat จาก 01suwanaphum 124.120.54.71 พุธ, 25/7/2555 เวลา : 12:17  IP : 124.120.54.71   

edit แก้ไขคำตอบ   delete ลบคำตอบ 55

คำตอบที่ 7
      





 แสดงความคิดเห็นย่อย แสดงความคิดเห็นย่อย

seat boat จาก 01suwanaphum 124.120.54.71 พุธ, 25/7/2555 เวลา : 12:18  IP : 124.120.54.71   

edit แก้ไขคำตอบ   delete ลบคำตอบ 56

คำตอบที่ 8
      





 แสดงความคิดเห็นย่อย แสดงความคิดเห็นย่อย

seat boat จาก 01suwanaphum 124.120.54.71 พุธ, 25/7/2555 เวลา : 12:18  IP : 124.120.54.71   

edit แก้ไขคำตอบ   delete ลบคำตอบ 57

      

คำตอบแบ่งหน้าละ 30 คำตอบ ขณะนี้คุณอยู่ที่หน้า 1 จาก >>> 1  



website รองรับการใช้งานทุกระบบปฏิบัติการของ PC Tablet SmartPhone ทุกระบบสามารถโพสข้อความและรูปภาพได้โดยไม่ต้องย่อไฟล์
เพื่อความปลอดภัยในการใช้ website WeekendHobby.Com สมาชิก เท่านั้น จึงจะตั้งกระทู้ หรือ ตอบกระทู้ได้ครับ
Login Click ที่นี่
สมัครสมาชิก Click ที่นี่



Since 22, Feb 2001 hit counter View My Stats  Truehits.net      วันพฤหัสบดี,11 ธันวาคม 2568 (Online 4341 คน)