คำตอบที่ 9
นี่ถ้าไม่ใช่พี่กล้วย ผมคงท้อแท้ไปแล้ว ก็คุยกันประสาคนชอบ 2 แบนหนึ่งกลม หรือ หลายแบนหนึ่งลัง แล้วกันนะ
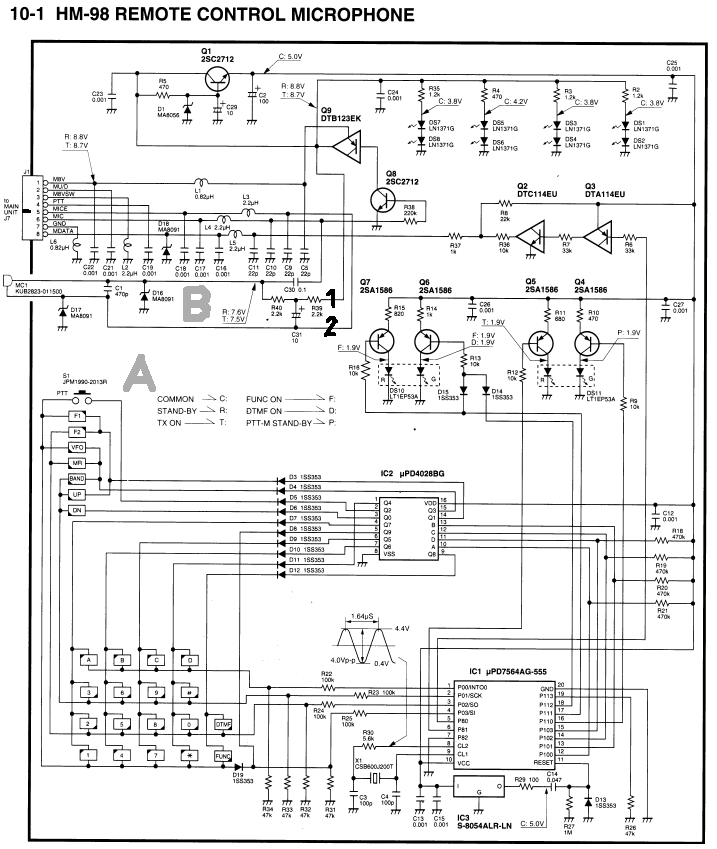
พอดีไม่มีวงจรของ HM-133 มีแต่ HM-98 ที่ผมใช้อยู่ คงพอแทนได้ ในแนวทางที่ต้องการ
...ดูจุด A สวิทช์ PTT แยกมาควบคุมที่ไอซีแล้วให้ไอซีสั่งสวิทช์วิทยุส่ง ถ้าเป็นผมคงต้องแยกสวิทช์ลอยออกมาทั้ง2ขาเพื่อต่อใหม่
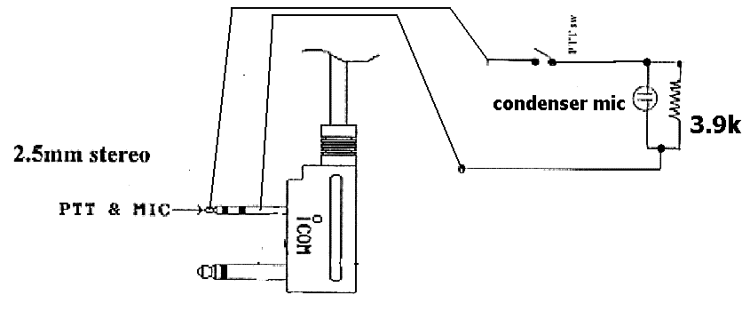
...ดูจุด B บริเวณไมค์ ถ้าเป็นผมจะต่อเอาแถวจุด 1 , 2 ครับ [เพิ่มจุดที่ 3 ระหว่าง R39+R40 ค่า 2.2k ทั้งคู่ อยู่ใกล้จุดที่1 จุดนี้ก็น่าลอง]
ถ้าแค่ตัดหัว RJ45 แล้วบอกสีของสายที่ต้องต่อไปใช้อันนี้ผมทำไม่เป็นครับ พิจารณาดูครับ
