WeekendHobby.com
เครื่องมือในการใช้งาน website =>> สมัครสมาชิก | Login | Logout | เปลี่ยนไอคอนส่วนตัว | เกี่ยวกับเรา | ติดต่อโฆษณา         View stat by Truehits.net


xx รวบรวม สเปก คุณสมบัต โบว์ชัวร์ สำหรับรถ Mitsubishi เพื่อไว้อ้างอิง xx
hi-tech
จาก .::. สองโหล .::.
IP:49.48.56.170

พุธที่ , 16/5/2555
เวลา : 09:38

อ่านแล้ว = ครั้ง
 เก็บเข้ากระทู้ส่วนตัว
แจ้งตรวจสอบกระทู้
 แจ้งลบ
ส่งหาเพื่อน ส่งหาเพื่อน

       อยากหาที่เก็บรวบรวมไว้ หนะครับ
ทำ บุ้คมาร์คไว้ บางที ก็เผลอลงวินโดวส์ใหม่ ไม่ทันได้ แบ็คอัพ ก็หายเกลี้ยง

พี่ๆ ลุงๆ มีก็รบกวนด้วยน่ะครับ

เริ่มด้วย สเปกคร่าวๆในสมุดคูมือ Strada Grandis และ G wagon






 แสดงความคิดเห็นย่อย แสดงความคิดเห็นย่อย

แจ้งเพื่อเก็บขึ้นกระทู้พิเศษ คลิ๊กที่นี่แจ้งเพื่อนำขึ้นกระทู้พิเศษ

คำตอบแบ่งหน้าละ 30 คำตอบ ขณะนี้คุณอยู่ที่หน้า 1 จาก >>> 1  

คำตอบที่ 1
       อัตราทดเกียร์ หรือ ระบบส่งกำลัง





 แสดงความคิดเห็นย่อย แสดงความคิดเห็นย่อย

hi-tech จาก .::. สองโหล .::. 49.48.56.170 พุธ, 16/5/2555 เวลา : 09:42  IP : 49.48.56.170   

edit แก้ไขคำตอบ   delete ลบคำตอบ 19785

คำตอบที่ 2
       วันเวลา ก็ผ่านไป รถเราอาจจะไปอยู่กับใครในอนาคต ก็ไม่รู้
รู้แต่ว่า พอนานๆ เข้า รายละเอียด ของรถรุ่นต่างๆ หาอ้างอิงยากกกกกกก มากๆ

เลยอยาก ทำเก็บรวบรวมไว้ เผื่อว่ามีประโยชน์ กับเพื่อนพ้องน้องพี่ ในอนาคตข้างหน้าครับ

อย่าลืม เอามาฝากกันด้วยน่ะครับ คนละนิดละหน่อย ...

วันนี้ ฝาก โคสะนา

2003 mitsubishi strada g-wagon vg turbo cm thailand

ที่นี่เลยครับ
http://www.veengle.com/v/vcUS

http://www.veengle.com/v/vMTS


 แก้ไขเมื่อ : 16/5/2555 9:56:50



ไม่ยักกะรู้ว่า ปี 2003 มอไซค์ ขึ้นทางด่วนได้ด้วย เอิ๊กๆ
จาก : hi-tech(hi-tech) 16/5/2555 9:48:41 [49.48.56.170]
 แสดงความคิดเห็นย่อย แสดงความคิดเห็นย่อย

hi-tech จาก .::. สองโหล .::. 49.48.56.170 พุธ, 16/5/2555 เวลา : 09:47  IP : 49.48.56.170   

edit แก้ไขคำตอบ   delete ลบคำตอบ 19786

คำตอบที่ 3
       ขุดมาให้อ่านกันดีกว่า

http://www.weekendhobby.com/offroad/mitsubishi/shtml/17681.shtml






 แสดงความคิดเห็นย่อย แสดงความคิดเห็นย่อย

hi-tech จาก .::. สองโหล .::. 49.48.50.71 อังคาร, 4/9/2555 เวลา : 01:28  IP : 49.48.50.71   

edit แก้ไขคำตอบ   delete ลบคำตอบ 23373

คำตอบที่ 4
       4WD 4 Door ครับ





 แสดงความคิดเห็นย่อย แสดงความคิดเห็นย่อย

pich_GD จาก pich_GD 125.25.51.138 อังคาร, 4/9/2555 เวลา : 07:46  IP : 125.25.51.138   

edit แก้ไขคำตอบ   delete ลบคำตอบ 23374

คำตอบที่ 5
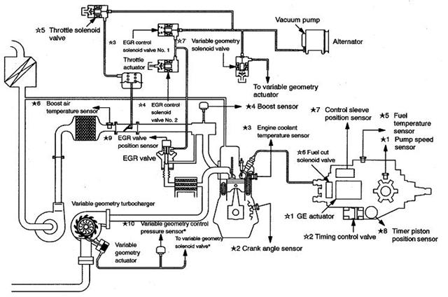
       เครื่อง 4d56 4m40 ของมิตซู

http://www.weekendhobby.com/offroad/mitsubishi/shtml/10285.shtml






กำลังทดสอบเครื่องพิมพ์ ก็เลยหารูปเครื่องมิตซูมาพิมพ์ แล้วก็เอามาฝาก
จาก : hi-tech(hi-tech) 4/9/2555 8:39:39 [223.205.27.122]
 แสดงความคิดเห็นย่อย แสดงความคิดเห็นย่อย

hi-tech จาก .::. สองโหล .::. 223.205.27.122 อังคาร, 4/9/2555 เวลา : 08:39  IP : 223.205.27.122   

edit แก้ไขคำตอบ   delete ลบคำตอบ 23377

คำตอบที่ 6
       ขอบคุณสำหรับข้อมูลดีๆ ขออณุญาตเจ้าของกระทู้ คุณสองโหล coppy ข้อมูลเก็บไว้ ศึกษาครับ ขอบคุณหลายๆเด้อ



 แสดงความคิดเห็นย่อย แสดงความคิดเห็นย่อย

The River จาก The River 125.27.48.187 อังคาร, 4/9/2555 เวลา : 21:01  IP : 125.27.48.187   

edit แก้ไขคำตอบ   delete ลบคำตอบ 23387

      

คำตอบแบ่งหน้าละ 30 คำตอบ ขณะนี้คุณอยู่ที่หน้า 1 จาก >>> 1  



website รองรับการใช้งานทุกระบบปฏิบัติการของ PC Tablet SmartPhone ทุกระบบสามารถโพสข้อความและรูปภาพได้โดยไม่ต้องย่อไฟล์
เพื่อความปลอดภัยในการใช้ website WeekendHobby.Com สมาชิก เท่านั้น จึงจะตั้งกระทู้ หรือ ตอบกระทู้ได้ครับ
Login Click ที่นี่
สมัครสมาชิก Click ที่นี่



Since 22, Feb 2001 hit counter View My Stats  Truehits.net      วันพฤหัสบดี,14 พฤษภาคม 2569 (Online 1354 คน)